F1 kontrolka TC, ZJAZD Z KOPCA A HUČÍ ŽLTÉ RELÉ POD KAPOTOU

Freelander I, II

Moderátor: Safraporte

Odpovědět
Zpráva
Autor
lapsho
Příspěvky: 51
Registrován: 02 říj 2014 15:01
auto: LR Freelander, A/T

F1 kontrolka TC, ZJAZD Z KOPCA A HUČÍ ŽLTÉ RELÉ POD KAPOTOU

#1 Příspěvek od lapsho » 18 dub 2015 09:28

Dobrý deň, mal niekto podobný problém?
Otočím kľúčom do prvej polohy
Rozsietia sa kontrolky, zhasňú, ostane svietiť kontrolka TC a Zjazd z kopca
Následne sa rozsvieti červená dióda a ručička teploty motora sa posunie na opačnú stranu do maxima.
Hneď nato sa roztočí ventilátor.
Otvoril som čierny kryt pri poistkach a hučí žlté relé. Natočené video pošlem Resp. odkaz.
Mám náhradné 5 rovnaké, žlté relátka a stále to robí.
Po naštartovaní dióda zhasne a ručička teploty motora klesne do pôvodnej polohy. Keď je motor studený tak to základnej, kontrolka ABS mi nesvieti!


Ďakujem za radu

YouTube http://m.youtube.com/watch?v=OaEftOjKL_ ... load_owner

Vie mi niekto povedať ako má zapojené relátka resp. poslať fotku, td4, 2004, 80 kw, výbava S, podľa schém je relé 1 pre benzinove motory, A relé R3 je práve relé pre HDC a tam nemám zapojené žiadne.Mám teda zapojené 3 R1,R2,R4, R3 Je prázdne
Přílohy
Kontrolky
Kontrolky
2011-03-10_212651_rrr.jpg
2011-03-10_212651_rrr.jpg (55.28 KiB) Zobrazeno 7183 x

ados
Příspěvky: 20
Registrován: 10 pro 2012 13:13
tel.: 0905715617
auto: freelander

Re: kontrolka TC, ZJAZD Z KOPCA A HUČÍ ŽLTÉ RELÉ POD KAPOTOU

#2 Příspěvek od ados » 30 kvě 2015 08:29

Treba pozret hlavnu kostru na karoseriu.Mal som ten isty problem. Hlavna kostra je hned za bateriou. Ked pojdes po kostre od baterie tak cca po 40 cm sa kabel rozdvojuje. Jeden ide na blatnik ten skontroluj .

lapsho
Příspěvky: 51
Registrován: 02 říj 2014 15:01
auto: LR Freelander, A/T

Re: kontrolka TC, ZJAZD Z KOPCA A HUČÍ ŽLTÉ RELÉ POD KAPOTOU

#3 Příspěvek od lapsho » 02 čer 2015 17:48

presne toto ti to robilo ? bliklo to stále alebo len občas, ventilátor sa točil ?

ados
Příspěvky: 20
Registrován: 10 pro 2012 13:13
tel.: 0905715617
auto: freelander

Re: kontrolka TC, ZJAZD Z KOPCA A HUČÍ ŽLTÉ RELÉ POD KAPOTOU

#4 Příspěvek od ados » 05 čer 2015 06:07

Ano presne to iste .

lapsho
Příspěvky: 51
Registrován: 02 říj 2014 15:01
auto: LR Freelander, A/T

Re: kontrolka TC, ZJAZD Z KOPCA A HUČÍ ŽLTÉ RELÉ POD KAPOTOU

#5 Příspěvek od lapsho » 08 čer 2015 17:52


Uživatelský avatar
Acon
Příspěvky: 4972
Registrován: 07 úno 2009 20:29
tel.: 00421910600711
auto: DII TD5 1999
Bydliště: Nitra SK

Re: kontrolka TC, ZJAZD Z KOPCA A HUČÍ ŽLTÉ RELÉ POD KAPOTOU

#6 Příspěvek od Acon » 09 čer 2015 10:38

boha chlapi, koľkorát ešte třeba založiť tú istú tému? Len na 1. strane strane vo Friťákoch sú 3 :roll:
viewtopic.php?f=7&t=21834
viewtopic.php?f=7&t=24921
Po 2 Discovery2 Discovery4 2009, 2,7TDV6, ARB, navijak, ochrana podvozku, ochrana zadného diferáku, 2 uzávierky, strešný nosič, led rampa, pracovné svetlá, X-Lifter... pravidelne dôkladne servisovaná, jazdíme každoročne Balkán a nechcem tam mať problém.

lapsho
Příspěvky: 51
Registrován: 02 říj 2014 15:01
auto: LR Freelander, A/T

Re: kontrolka TC, ZJAZD Z KOPCA A HUČÍ ŽLTÉ RELÉ POD KAPOTOU

#7 Příspěvek od lapsho » 09 čer 2015 12:15

Vyššie uvedené témy sú ABS, TC a HDC. Ja mam tc a hdc, väčšine žlté relé nehučí v týchto témach, podľa diagnostiky je abs funkčné.

Uživatelský avatar
cesta
Příspěvky: 546
Registrován: 01 črc 2009 10:08
auto: Freelander I TD4
Bydliště: Koňakov-Český Těšín

Re: kontrolka TC, ZJAZD Z KOPCA A HUČÍ ŽLTÉ RELÉ POD KAPOTOU

#8 Příspěvek od cesta » 10 čer 2015 08:00

No a kontroloval jsi tu kostru ????? o tom nic nepíšeš, je ji třeba odpojit pořádně vyčistit ! nakonzervovat a připojit zpět. Proměřít před připojením pokud máš čím. Tady máš obrázek připojených ukostřených bodů a označené 3 body které by mohly mít vliv na to co popisuješ........
Přílohy
kostra.jpg
Freelander TD4 2002+Discovery 2 TD5 2001

lapsho
Příspěvky: 51
Registrován: 02 říj 2014 15:01
auto: LR Freelander, A/T

Re: kontrolka TC, ZJAZD Z KOPCA A HUČÍ ŽLTÉ RELÉ POD KAPOTOU

#9 Příspěvek od lapsho » 10 čer 2015 10:09

posielam výtlačok z diagnostiky
Přílohy
Nový dokument 6_1.jpg
2.jpg
3.jpg

lapsho
Příspěvky: 51
Registrován: 02 říj 2014 15:01
auto: LR Freelander, A/T

Re: kontrolka TC, ZJAZD Z KOPCA A HUČÍ ŽLTÉ RELÉ POD KAPOTOU

#10 Příspěvek od lapsho » 01 črc 2015 16:37

Vymenený ľavý aj pravý predný abs snímač, kostry vyčistené, furt sa to rozsvieti. Som už tak na 50 % rozhodnutý po roku freelander predať. už ma prestáva baviť sa v ňom šprtať.

Uživatelský avatar
mipr
Příspěvky: 677
Registrován: 11 črc 2014 11:34
tel.: +421907431767
auto: Diskosky mam rad :-)
Bydliště: Horska 30, Bratislava

Re: kontrolka TC, ZJAZD Z KOPCA A HUČÍ ŽLTÉ RELÉ POD KAPOTOU

#11 Příspěvek od mipr » 12 zář 2015 22:23

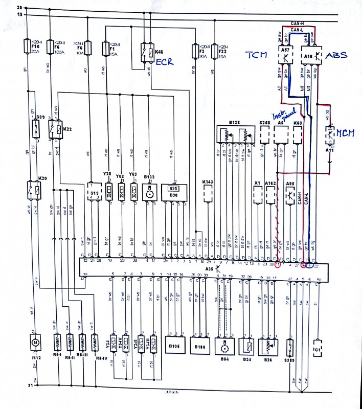
lapsho , vyzera to ze mas problem na can-buse, je nieco nove?

ak nie, zastav sa, pozreme ten can-bus...

:yes
LRservis.sk Bratislava
specializovany servis pre znacku Land Rover
byvaly autorizovany distributor Bearmach (skoncili...)

lapsho
Příspěvky: 51
Registrován: 02 říj 2014 15:01
auto: LR Freelander, A/T

Re: kontrolka TC, ZJAZD Z KOPCA A HUČÍ ŽLTÉ RELÉ POD KAPOTOU

#12 Příspěvek od lapsho » 22 pro 2015 21:45

Nechal som kompletne repasovať štartér, problém zmizol, viac ako 6 mesiacov od repasu sa ani raz neobjavila kontrola HDC a TC.

Odpovědět