F1 kontrolka TC, ZJAZD Z KOPCA A HUČÍ ŽLTÉ RELÉ POD KAPOTOU
Moderátor: Safraporte
F1 kontrolka TC, ZJAZD Z KOPCA A HUČÍ ŽLTÉ RELÉ POD KAPOTOU
Dobrý deň, mal niekto podobný problém?
Otočím kľúčom do prvej polohy
Rozsietia sa kontrolky, zhasňú, ostane svietiť kontrolka TC a Zjazd z kopca
Následne sa rozsvieti červená dióda a ručička teploty motora sa posunie na opačnú stranu do maxima.
Hneď nato sa roztočí ventilátor.
Otvoril som čierny kryt pri poistkach a hučí žlté relé. Natočené video pošlem Resp. odkaz.
Mám náhradné 5 rovnaké, žlté relátka a stále to robí.
Po naštartovaní dióda zhasne a ručička teploty motora klesne do pôvodnej polohy. Keď je motor studený tak to základnej, kontrolka ABS mi nesvieti!
Ďakujem za radu
YouTube http://m.youtube.com/watch?v=OaEftOjKL_ ... load_owner
Vie mi niekto povedať ako má zapojené relátka resp. poslať fotku, td4, 2004, 80 kw, výbava S, podľa schém je relé 1 pre benzinove motory, A relé R3 je práve relé pre HDC a tam nemám zapojené žiadne.Mám teda zapojené 3 R1,R2,R4, R3 Je prázdne
Otočím kľúčom do prvej polohy
Rozsietia sa kontrolky, zhasňú, ostane svietiť kontrolka TC a Zjazd z kopca
Následne sa rozsvieti červená dióda a ručička teploty motora sa posunie na opačnú stranu do maxima.
Hneď nato sa roztočí ventilátor.
Otvoril som čierny kryt pri poistkach a hučí žlté relé. Natočené video pošlem Resp. odkaz.
Mám náhradné 5 rovnaké, žlté relátka a stále to robí.
Po naštartovaní dióda zhasne a ručička teploty motora klesne do pôvodnej polohy. Keď je motor studený tak to základnej, kontrolka ABS mi nesvieti!
Ďakujem za radu
YouTube http://m.youtube.com/watch?v=OaEftOjKL_ ... load_owner
Vie mi niekto povedať ako má zapojené relátka resp. poslať fotku, td4, 2004, 80 kw, výbava S, podľa schém je relé 1 pre benzinove motory, A relé R3 je práve relé pre HDC a tam nemám zapojené žiadne.Mám teda zapojené 3 R1,R2,R4, R3 Je prázdne
Re: kontrolka TC, ZJAZD Z KOPCA A HUČÍ ŽLTÉ RELÉ POD KAPOTOU
Treba pozret hlavnu kostru na karoseriu.Mal som ten isty problem. Hlavna kostra je hned za bateriou. Ked pojdes po kostre od baterie tak cca po 40 cm sa kabel rozdvojuje. Jeden ide na blatnik ten skontroluj .
Re: kontrolka TC, ZJAZD Z KOPCA A HUČÍ ŽLTÉ RELÉ POD KAPOTOU
presne toto ti to robilo ? bliklo to stále alebo len občas, ventilátor sa točil ?
Re: kontrolka TC, ZJAZD Z KOPCA A HUČÍ ŽLTÉ RELÉ POD KAPOTOU
Ano presne to iste .
- Acon
- Příspěvky: 4972
- Registrován: 07 úno 2009 20:29
- tel.: 00421910600711
- auto: DII TD5 1999
- Bydliště: Nitra SK
Re: kontrolka TC, ZJAZD Z KOPCA A HUČÍ ŽLTÉ RELÉ POD KAPOTOU
boha chlapi, koľkorát ešte třeba založiť tú istú tému? Len na 1. strane strane vo Friťákoch sú 3
viewtopic.php?f=7&t=21834
viewtopic.php?f=7&t=24921
viewtopic.php?f=7&t=21834
viewtopic.php?f=7&t=24921
Po 2 Discovery2 Discovery4 2009, 2,7TDV6, ARB, navijak, ochrana podvozku, ochrana zadného diferáku, 2 uzávierky, strešný nosič, led rampa, pracovné svetlá, X-Lifter... pravidelne dôkladne servisovaná, jazdíme každoročne Balkán a nechcem tam mať problém.
Re: kontrolka TC, ZJAZD Z KOPCA A HUČÍ ŽLTÉ RELÉ POD KAPOTOU
Vyššie uvedené témy sú ABS, TC a HDC. Ja mam tc a hdc, väčšine žlté relé nehučí v týchto témach, podľa diagnostiky je abs funkčné.
- cesta
- Příspěvky: 546
- Registrován: 01 črc 2009 10:08
- auto: Freelander I TD4
- Bydliště: Koňakov-Český Těšín
Re: kontrolka TC, ZJAZD Z KOPCA A HUČÍ ŽLTÉ RELÉ POD KAPOTOU
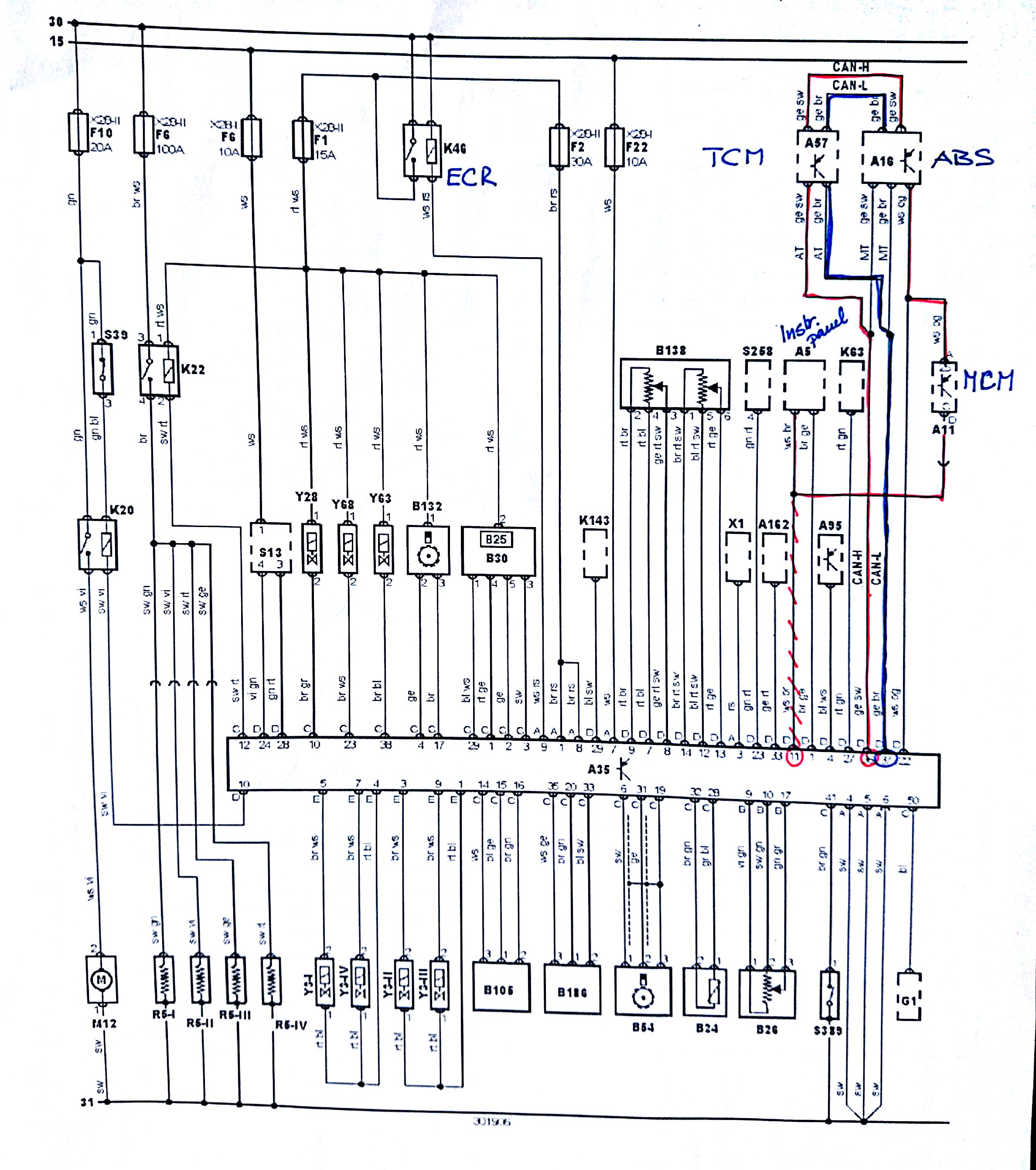
No a kontroloval jsi tu kostru ????? o tom nic nepíšeš, je ji třeba odpojit pořádně vyčistit ! nakonzervovat a připojit zpět. Proměřít před připojením pokud máš čím. Tady máš obrázek připojených ukostřených bodů a označené 3 body které by mohly mít vliv na to co popisuješ........
Freelander TD4 2002+Discovery 2 TD5 2001
Re: kontrolka TC, ZJAZD Z KOPCA A HUČÍ ŽLTÉ RELÉ POD KAPOTOU
posielam výtlačok z diagnostiky
Re: kontrolka TC, ZJAZD Z KOPCA A HUČÍ ŽLTÉ RELÉ POD KAPOTOU
Vymenený ľavý aj pravý predný abs snímač, kostry vyčistené, furt sa to rozsvieti. Som už tak na 50 % rozhodnutý po roku freelander predať. už ma prestáva baviť sa v ňom šprtať.
- mipr
- Příspěvky: 677
- Registrován: 11 črc 2014 11:34
- tel.: +421907431767
- auto: Diskosky mam rad :-)
- Bydliště: Horska 30, Bratislava
Re: kontrolka TC, ZJAZD Z KOPCA A HUČÍ ŽLTÉ RELÉ POD KAPOTOU
lapsho , vyzera to ze mas problem na can-buse, je nieco nove?
ak nie, zastav sa, pozreme ten can-bus...

ak nie, zastav sa, pozreme ten can-bus...
LRservis.sk Bratislava
specializovany servis pre znacku Land Rover
byvaly autorizovany distributor Bearmach (skoncili...)
specializovany servis pre znacku Land Rover
byvaly autorizovany distributor Bearmach (skoncili...)
Re: kontrolka TC, ZJAZD Z KOPCA A HUČÍ ŽLTÉ RELÉ POD KAPOTOU
Nechal som kompletne repasovať štartér, problém zmizol, viac ako 6 mesiacov od repasu sa ani raz neobjavila kontrola HDC a TC.