rada s lednicí engel
Moderátor: Acon
- PEPO
- Příspěvky: 757
- Registrován: 27 led 2011 12:51
- tel.: 0905605225
- auto: FREELANDER+D3
- Bydliště: Furt pri Vode-Z.Moravce
Re: rada s lednicí engel
Ja by som najskôr skontroloval termostat..
Skúsiť to nejak na priamo bez termostatu či sa rozbehne kompresor.A hlavne kontakty ...Tiež som mal patáliu aj s termostatom a aj s kontaktami...A odvtedy pár rokov pokoj..
Ale ja mám INDEL-B...V prevádzke každý víkend....
Skúsiť to nejak na priamo bez termostatu či sa rozbehne kompresor.A hlavne kontakty ...Tiež som mal patáliu aj s termostatom a aj s kontaktami...A odvtedy pár rokov pokoj..
Ale ja mám INDEL-B...V prevádzke každý víkend....
Re: rada s lednicí engel
Lednička najednou sama obživla, nejdřív furt zapínala a vypínala kompresor, teď se interval prodloužil, ale pořád to není normálně.
Deformační zóna Defendera je vozidlo stojící před ním.
Re: rada s lednicí engel
To, ze se Engel nesere to je pravda. To, ze ukazuje teplomer to je preto, ze je to nezavisly modul. Proste tam dorobili teplomer. Nemas ju zaukladanu v aute kde by sa mohla prehriat?
LR Defender Td5 110SW po "prestavbe" a pred "prestavbou".
Re: rada s lednicí engel
Nene, tím to nebude, průduchy jsou vždy volné aby to mohlo cirkulovat. Jediný že jsem jí vyndal z auta, odnesl do chatky a hned zapnul na 220V. Ale tak to dělám vždy.
Deformační zóna Defendera je vozidlo stojící před ním.
- PEPO
- Příspěvky: 757
- Registrován: 27 led 2011 12:51
- tel.: 0905605225
- auto: FREELANDER+D3
- Bydliště: Furt pri Vode-Z.Moravce
Re: rada s lednicí engel
Ale nepísal si pred tým že ti termostat vzopol relatko na kompresor.
Bol som v tom že to nerobí vôbec nič..
Nemohlo sa stať že cestou alebo pri prenášaní si ju naklonil viac ako je zdravé?
Bol som v tom že to nerobí vôbec nič..
Nemohlo sa stať že cestou alebo pri prenášaní si ju naklonil viac ako je zdravé?
Re: rada s lednicí engel
Při přenášení jsem jí naklonil max. na 45°, tím to nebude. Dneska ráno jsem jí odpojil, a když se znova zapnula, zase dlouze přemejšlela než naskočil kompresor. Pak opě dokola zapínala a vypínala s prodlužujícím se intervalem. Takže nějak jede, a až se vrátím půjde do servisu.
Děkuji všem za rozumy.

Děkuji všem za rozumy.
Deformační zóna Defendera je vozidlo stojící před ním.
- Tazik1992
- Příspěvky: 1429
- Registrován: 10 čer 2014 22:59
- tel.: 602875958
- auto: Defík
- Bydliště: Holýšov,Kaznějov
Re: rada s lednicí engel
A to dělá jen při napájení ze sitě (230V) ? To by mohl být vadný jen vstupní měnič - hlavně kondíky. A nebo i při napájení z autobaterky ? To by byl asi problém ve výstupním měniči. A nebo v kompresoru. Jestli to dáš na kontrolu tak je to asi pasé. Ale klobouk dolů před Engelem, protože dávají volně k dispozici i užitečný servisní manuál. Včetně schémat a tipů na prověření.mr-tomas píše: 28 črc 2023 12:43 Dneska ráno jsem jí odpojil, a když se znova zapnula, zase dlouze přemejšlela než naskočil kompresor. Pak opě dokola zapínala a vypínala s prodlužujícím se intervalem.
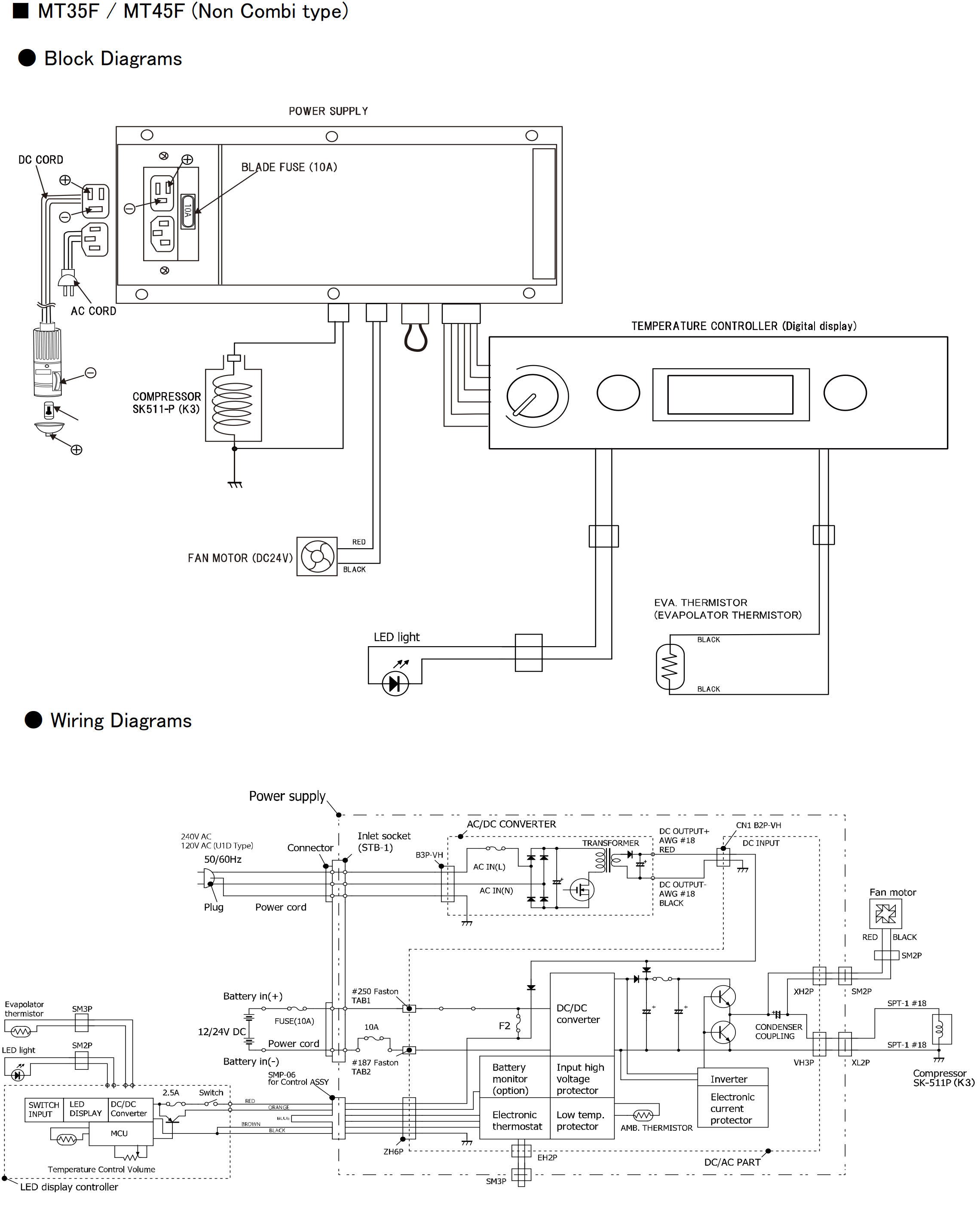
Kompletní servisní manuál
Sloužim lidu! :-)
Land Rover Defender 110SW 300Tdi 1998
ex-služební Land Rover Defender 2,4TDCi Puma 2008
Land Rover Defender 110SW 300Tdi 1998
ex-služební Land Rover Defender 2,4TDCi Puma 2008
Re: rada s lednicí engel
Super návod, akorát mám starší model MT35F-G3-S, tak nevím jak hodně se to bude shodovat. Zlobí na 12 i 220V.
Deformační zóna Defendera je vozidlo stojící před ním.
- Tazik1992
- Příspěvky: 1429
- Registrován: 10 čer 2014 22:59
- tel.: 602875958
- auto: Defík
- Bydliště: Holýšov,Kaznějov
Re: rada s lednicí engel
No fakt je, že subvariant má Engel nepřeberně (i u stávajících modelů) a vyznat se v nich na první pohled v čem je rozdíl je nemožný. Ale to jádro bude asi stejný. Když to blbne při napájení z obou zdrojů, tak to musí být až to společné. Myslím, že nic nedáš za to, když aspoň zkontorluješ stav konektorů nebo třeba i kontakty na plošňáku, popř. aspoň vizuelně namáhané součástky(kondenzátory, odpory,..)
Teoreticky by se dala ještě vyloučit chyba řídící desky (ovl.panelu) tím, že se propojí její napájecí cesta s ovládacím vodičem výstupního měniče - na schématu je to červený a oranžový vodič. Samozřejmě je otázka jak konkrétně vypadá zapojení u té tvojí ledničky (bylo by třeba porovnat klíčové součásti a vývody od nich), ale myslím, že i ovládání kompresoru bude podobné - je tam jen jeden signál, který spíná jeho měnič.
Teoreticky by se dala ještě vyloučit chyba řídící desky (ovl.panelu) tím, že se propojí její napájecí cesta s ovládacím vodičem výstupního měniče - na schématu je to červený a oranžový vodič. Samozřejmě je otázka jak konkrétně vypadá zapojení u té tvojí ledničky (bylo by třeba porovnat klíčové součásti a vývody od nich), ale myslím, že i ovládání kompresoru bude podobné - je tam jen jeden signál, který spíná jeho měnič.
Sloužim lidu! :-)
Land Rover Defender 110SW 300Tdi 1998
ex-služební Land Rover Defender 2,4TDCi Puma 2008
Land Rover Defender 110SW 300Tdi 1998
ex-služební Land Rover Defender 2,4TDCi Puma 2008
Re: rada s lednicí engel
Díky, kouknu na to, ale jelikož to nějak funguje, tak to nechám na doma kdybych tam náhodou něco odpálil. 
Deformační zóna Defendera je vozidlo stojící před ním.
- Tazik1992
- Příspěvky: 1429
- Registrován: 10 čer 2014 22:59
- tel.: 602875958
- auto: Defík
- Bydliště: Holýšov,Kaznějov
Re: rada s lednicí engel
To je samozřejmě prozíravá volba. Já jsem ani nemyslel, že by ses v tom měl hrabat na výletě, opravy si nech na domamr-tomas píše: 29 črc 2023 12:57 Díky, kouknu na to, ale jelikož to nějak funguje, tak to nechám na doma kdybych tam náhodou něco odpálil.![]()
Sloužim lidu! :-)
Land Rover Defender 110SW 300Tdi 1998
ex-služební Land Rover Defender 2,4TDCi Puma 2008
Land Rover Defender 110SW 300Tdi 1998
ex-služební Land Rover Defender 2,4TDCi Puma 2008
Re: rada s lednicí engel
Zatím nijak. Hodil jsem jí do kouta a odjel k moři. Teď už jí nepotřebuju, kouknu na to po prázdinách.
Poslední den používání už nechtěla naskočit a trochu se vzpamatovala a přerušovaně jela až v autě cestou domu.
Poslední den používání už nechtěla naskočit a trochu se vzpamatovala a přerušovaně jela až v autě cestou domu.
Deformační zóna Defendera je vozidlo stojící před ním.
Re: rada s lednicí engel
Tak zase trochu opráším téma. Jelikož jsem se na to samozřejmě po dovolené vyprdnul a po novém roce jsem měl díky zdravotním problémům úplně jiné starosti a vzpoměl jsem si az teď.
Po konzultaci s fa. Dalix mi bylo řečeno, že jinými slovy nic neopravujou a výměna celého bloku elektroniky by stála polovinu ceny nové lednice s dobou dodání cca. měsíc. A proto, že jsem nenašel nikoho kdo by se mi na to podíval, stahnul jsem si zde od Tazíka uvedený servisní manuál a začal měřit. Zatím to vypadá, že všechno je jak má být, jen z toho neleze těch 18VAC co potřebuje kompresor k životu. Někde na webu jsem našel, že někdo u téhle lednice řešil výměnu kondenzátorů a i Tazík mi to tu psal a protože se lednice chová pořád stejně, po zapnutí po třeba hodině začne pobrkávat (střídavě se zapíná a vypíná kompresor) a po nějaké době naskočí a jede, tak jsem se rozhodl zkusit vyměnit všechny kondenzátory jelikož nejsem schopen je změřit jestli jsou OK a vizuelně vypadají v pořádku.
Otázka zní: všechny jsou na 50V, musím tuto hodnotu dodržet nebo můžu dát vyšší napětí když dodržím kapacitu? A jaký typ z hlediska kvality a co nejdelší zivotnosti mám koupit?
Předem děkuji za pomoc.
Otázka zní: všechny jsou na 50V, musím tuto hodnotu dodržet nebo můžu dát vyšší napětí když dodržím kapacitu? A jaký typ z hlediska kvality a co nejdelší zivotnosti mám koupit?
Předem děkuji za pomoc.
Deformační zóna Defendera je vozidlo stojící před ním.
-
MadTom
- Příspěvky: 15358
- Registrován: 06 lis 2008 23:15
- tel.: 608 600 360
- auto: D2, Def 130
- Bydliště: Olomouc
Re: rada s lednicí engel
Od pohledu jsou tam KMG od Nipponu, tedy LOW ESR a na 105°C z důvodu životnosti. To je základ, větší napětí nevadí, kapacitu zkus dodržet. Ještě bych kouknul, jestli tam není KO nějaká pojistka - jednou jsem takto v ledničce měnil zničený 5A polyswitch, na kterém těch 5A za provozu bylo a on dost hřál. Dal jsem tam 6A a je klid. Vyměnil bych všechny elektrolitické kondenzátory, i ty malé. Ideálně zkontrolovat ty staré na měřiči ESR, jestli je některý vadný, a ty nové před zaletováním taky, jestli není nějaký vadný už z výroby, stává se to.
Drobek - Discovery II TD5 pro ženu, Blufínek - Defender 130 TD5 na ježdění s dětma a mě zbyl už zase jenom Ford Mondeo
Re: rada s lednicí engel
Vyměnit chci všechny kondenzátory ale změřit je nemám čím. Mám hledat tuhle značku kondenzátorů nebo je lepší jiná?
Deformační zóna Defendera je vozidlo stojící před ním.
- Tazik1992
- Příspěvky: 1429
- Registrován: 10 čer 2014 22:59
- tel.: 602875958
- auto: Defík
- Bydliště: Holýšov,Kaznějov
Re: rada s lednicí engel
mr-tomas píše: 24 čer 2024 18:15 Vyměnit chci všechny kondenzátory ale změřit je nemám čím. Mám hledat tuhle značku kondenzátorů nebo je lepší jiná?
Lepší než Nippony asi neseženeš, to je etalon kvality. Ještě jsou dobré značky Nichicon, Panasonic, Vishay.
Akorát při výběru dávej bacha, i když vybereš stejnou hodnotu, tak je třeba koukat na rozměry. Na desce jsou kondíky blízko sebe, tak abys neměl problém se zástavbou. Obzvlášť když bys bral na vyšší napětí, ty už můžou být rozměrově zase jinde.
Se schválně kouknu jestli bych neměl skladem, udělal bych Ti balíček.
Jestli ta lednice někdy jde a někdy ne, tak to zatím vypadá na kondy nebo nějaké studeňáky.
Sloužim lidu! :-)
Land Rover Defender 110SW 300Tdi 1998
ex-služební Land Rover Defender 2,4TDCi Puma 2008
Land Rover Defender 110SW 300Tdi 1998
ex-služební Land Rover Defender 2,4TDCi Puma 2008
Re: rada s lednicí engel
To by bylo fajn, vůbec výběru koníků nerozumím. Takhle vypadaj tišťáky, vše čisté, ani žádnej kondík není nafouklej.
Deformační zóna Defendera je vozidlo stojící před ním.
- pojir
- Příspěvky: 2571
- Registrován: 20 zář 2013 12:29
- tel.: 602727915
- auto: D2
- Bydliště: u Blanska
- Kontaktovat uživatele:
Re: rada s lednicí engel
Nejsem odbornik, ale tohle vypada usmazene.
Jakkoliv vysoko vyskocis, nikdy nepreskocis svoji prdel.
Re: rada s lednicí engel
To jsem si vůbec nevšimnul. D je dioda? Je to nečitelný.
Deformační zóna Defendera je vozidlo stojící před ním.