freelander vnitrni elektrika
Moderátor: Safraporte
freelander vnitrni elektrika
Zdarec hoši ,sory že zákládám nové téma ale nikde sem nenašel muj problém. Mám freelander 1 soft top a řeším problém s elektrikou. umřelo stahování oken a to i zadního spolecne s klikou dveri ,dale nejde rádio ,diag zásuvka,central vnitrní spináč pod radiem a stropní svetlo.jedine co to dela ze kdyz zmacku stahovacku na kuf tak jen zapipa a nic. pojistky jsou vse ok a relátka jsou proházena ale bez vysledku . koukal jsem i na kostry pod prednim sloupkem . Nemá někdo podobnou zkušenost budu rád za odpověd diky kluci 
- deyva
- Příspěvky: 293
- Registrován: 18 říj 2012 20:00
- auto: Free I 3D 2.0Di,2000
- Bydliště: 1/2 cesty Brno <-> Břeclav
Re: freelander vnitrni elektrika
U zadní kliky a zadního okna myslim s tím mívalo co do činění ten mikrospínač na boku pod střechou, kterej jakože hlásí "je střecha/není střecha". Je tam myslim někde jak jsou ty očka na soft top konstrukci. Ale nevim teda, že by to způsobovalo i ostatní problémy.
- Tazik1992
- Příspěvky: 1429
- Registrován: 10 čer 2014 22:59
- tel.: 602875958
- auto: Defík
- Bydliště: Holýšov,Kaznějov
Re: freelander vnitrni elektrika
Nejdřív by bylo dobrý kdyby jsi nám objasnil co máš za Fríčko. Softtop je dost málo - chtělo by to rok a přesnou motorizaci.
Většina těch okruhů má společnou pojistku č.14 (rozvodnice v kabině (vycházím z benzínu)). A většina těch okruhů vychází z centrální pojistky č.4 v motorové rozvodnici (LINK 4 / 80A). Jelikož kostry mají ty okruhy různé, tak bych asi napřed prověřil(změřil) napětí na pojistkách a kabeláž od "velké pojistky" k pojistkám v kabinové rozvodnici. Funguje ti třeba zásuvka na příslušenství (zapalovač), když tam zapojíš něco žravějšího ?
Většina těch okruhů má společnou pojistku č.14 (rozvodnice v kabině (vycházím z benzínu)). A většina těch okruhů vychází z centrální pojistky č.4 v motorové rozvodnici (LINK 4 / 80A). Jelikož kostry mají ty okruhy různé, tak bych asi napřed prověřil(změřil) napětí na pojistkách a kabeláž od "velké pojistky" k pojistkám v kabinové rozvodnici. Funguje ti třeba zásuvka na příslušenství (zapalovač), když tam zapojíš něco žravějšího ?
Sloužim lidu! :-)
Land Rover Defender 110SW 300Tdi 1998
ex-služební Land Rover Defender 2,4TDCi Puma 2008
Land Rover Defender 110SW 300Tdi 1998
ex-služební Land Rover Defender 2,4TDCi Puma 2008
Re: freelander vnitrni elektrika
Mám rok 2001 naftu 82kw td4 , dost jsem nad tím přemýšlel jestly to nemůže být nějaká konfortka , zapalovač vyzkouším ten jediný jsem nezkoušel ale pojistky mám vše propipane i v motorovým prostoru zkusím tedy rozdělat pojistkovku u motoru abych se dostal na kabely , zatím diky za typ
- Tazik1992
- Příspěvky: 1429
- Registrován: 10 čer 2014 22:59
- tel.: 602875958
- auto: Defík
- Bydliště: Holýšov,Kaznějov
Re: freelander vnitrni elektrika
Zatím by jsi ani nemusel nic rozebírat. Jestli jsi schopen měřit, tak vyndej pojistku LINK4 (nejlépe i odpojit baterku) a změř z jejího výstupu odpor drátů až na vstup pojistek, které jsou na ní vázané v pojistkovce v kabině - hlavně číslo 14, 31 (a případně i od nich dál ke spotřebičům). Taky jsou od ní vedeny napřímo kabely k paticím relé - jako třeba R101 - relé pro příslušenství, R143 - relé oken, k centrální ŘJ atd...petrb píše: 08 úno 2023 09:14 Mám rok 2001 naftu 82kw td4 , dost jsem nad tím přemýšlel jestly to nemůže být nějaká konfortka , zapalovač vyzkouším ten jediný jsem nezkoušel ale pojistky mám vše propipane i v motorovým prostoru zkusím tedy rozdělat pojistkovku u motoru abych se dostal na kabely , zatím diky za typ
Pokud by byly kabely dobré (odpor) a za pojistkama správné napětí, tak můžeš zkusit kostry. Změřit odpor mezi mínus pólem baterky a kostrami na jednotlivých koncových spotřebičích.
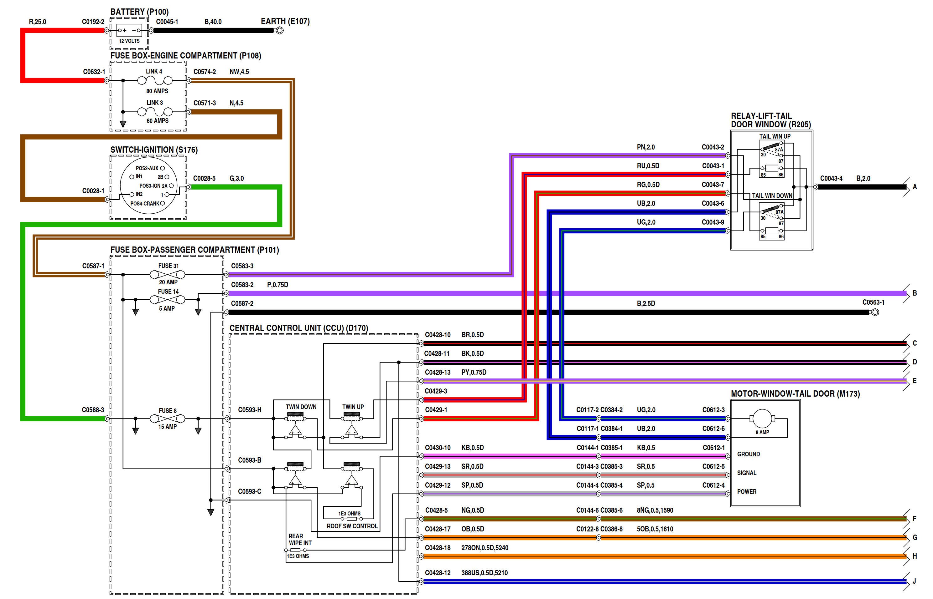
Dost by Ti mohla pomoct schémata, třeba v dokumentaci RAVE.
Tady je takový základ
Kostřící konektory (můstky) napadených okruhů
Sloužim lidu! :-)
Land Rover Defender 110SW 300Tdi 1998
ex-služební Land Rover Defender 2,4TDCi Puma 2008
Land Rover Defender 110SW 300Tdi 1998
ex-služební Land Rover Defender 2,4TDCi Puma 2008
Re: freelander vnitrni elektrika
Tak malý poznatek je , FL4 je v cajku jde na ni proud a z ni taky , pro zkoušku jsem zkusil přivést napětí na pojistky 31 a 14 a spotřebiče funguji jak mají jde úplně všechno , takže to bude někde ve svazku od motorového prostoru, vo když navedu sólo okruh od fl4 na 31a14 ?
- Tazik1992
- Příspěvky: 1429
- Registrován: 10 čer 2014 22:59
- tel.: 602875958
- auto: Defík
- Bydliště: Holýšov,Kaznějov
Re: freelander vnitrni elektrika
Asi ani nic jiného nezbdude než to natáhnout znovu. Bylo by dobrý se přesvědčit jestli to není nějaká prkotina kolem svorek u pojistek.
Kdyžtak budeš tahat, tak bude dobrý bezpečně odstřihnout oba konce narušených kabelů od pojistkovek. Teď jsou třeba někde "jen" ohnuté nebo skříplé a žíly narušené. Ale pozdějš by to mohlo být i skrz a pak by to byla ta pravá e-rotyka v drátech
. Já si myslím, že to není tak dlouho co tu měl někdo zrovna na Fríčku podobnou jebu a bylo to na kabelu v místě nějakého přešmýkaného ohybu u motoru.
Kdyžtak budeš tahat, tak bude dobrý bezpečně odstřihnout oba konce narušených kabelů od pojistkovek. Teď jsou třeba někde "jen" ohnuté nebo skříplé a žíly narušené. Ale pozdějš by to mohlo být i skrz a pak by to byla ta pravá e-rotyka v drátech
Sloužim lidu! :-)
Land Rover Defender 110SW 300Tdi 1998
ex-služební Land Rover Defender 2,4TDCi Puma 2008
Land Rover Defender 110SW 300Tdi 1998
ex-služební Land Rover Defender 2,4TDCi Puma 2008
Re: freelander vnitrni elektrika
Re: freelander vnitrni elektrika
Petrb nakoniec čo bolo? Ako si to vyriešil? Mám takú istú závadu na Freelander 1 td4 83kw 5dverové.
Re: freelander vnitrni elektrika
Servus, u mňa bola vadná poistková skriňa pod volantom, po výmene funguje všetko.