free nejde nasrartovat 1.8i - tedy benzín

Freelander I, II

Moderátor: Safraporte

Odpovědět
Zpráva
Autor
michal3475
Příspěvky: 75
Registrován: 02 bře 2009 13:21
Bydliště: Kamenický Šenov

free nejde nasrartovat 1.8i - tedy benzín

#1 Příspěvek od michal3475 » 24 říj 2014 18:43

Zdravím,
poradí někdo proč mi nejde občas nastartovat free?
Vypadá, jako když čerpadlo nedostane povel k zapnutí. Když ho zapnu "natvrdo" třeba k nabíječce, tak normálně běží, benzín dává. Ale když zapnu klíček,otočím,tak čerpadlo někdy nereaguje a já pak nenastartuju. Občas ale vše funguje normálně.
:Sorry: :Sorry: :Sorry:

Poraďte......
Díky

michal3475
Příspěvky: 75
Registrován: 02 bře 2009 13:21
Bydliště: Kamenický Šenov

Re: free nejde nasrartovat 1.8i - tedy benzín

#2 Příspěvek od michal3475 » 25 říj 2014 13:30

prosím, je tam nějaké relé, které spouští čerpadlo??????

Uživatelský avatar
Tazik1992
Příspěvky: 1429
Registrován: 10 čer 2014 22:59
tel.: 602875958
auto: Defík
Bydliště: Holýšov,Kaznějov

Re: free nejde nasrartovat 1.8i - tedy benzín

#3 Příspěvek od Tazik1992 » 25 říj 2014 17:15

Je v pojistkovém boxu v motorovém prostoru.
Sloužim lidu! :-)
Land Rover Defender 110SW 300Tdi 1998
ex-služební Land Rover Defender 2,4TDCi Puma 2008

michal3475
Příspěvky: 75
Registrován: 02 bře 2009 13:21
Bydliště: Kamenický Šenov

Re: free nejde nasrartovat 1.8i - tedy benzín

#4 Příspěvek od michal3475 » 25 říj 2014 18:53

Tam je jen cca 8 pojistek, jinak nic......

Uživatelský avatar
Tazik1992
Příspěvky: 1429
Registrován: 10 čer 2014 22:59
tel.: 602875958
auto: Defík
Bydliště: Holýšov,Kaznějov

Re: free nejde nasrartovat 1.8i - tedy benzín

#5 Příspěvek od Tazik1992 » 25 říj 2014 20:43

A tak, ty máš benzína do r.v.2000? Pak by měla být 4 relé v modulu vedle řídící jednotky. Jedno z nich je pro čerpadlo.
free1,8 do2000.JPG
free1,8 do2000.JPG (88.65 KiB) Zobrazeno 6237 x
Sloužim lidu! :-)
Land Rover Defender 110SW 300Tdi 1998
ex-služební Land Rover Defender 2,4TDCi Puma 2008

y.sajty
Příspěvky: 227
Registrován: 28 dub 2011 16:57
auto: freelander1.8 LPG
Bydliště: Ostravsko

Re: free nejde nasrartovat 1.8i - tedy benzín

#6 Příspěvek od y.sajty » 26 říj 2014 07:12

Další možnost by byla spínací skříňka,špatný kontakt.

michal3475
Příspěvky: 75
Registrován: 02 bře 2009 13:21
Bydliště: Kamenický Šenov

Re: free nejde nasrartovat 1.8i - tedy benzín

#7 Příspěvek od michal3475 » 27 říj 2014 17:39

relátka jsem našel, vypadají ok. Co dává signál relátku k sepnutí????

michal3475
Příspěvky: 75
Registrován: 02 bře 2009 13:21
Bydliště: Kamenický Šenov

Re: free nejde nasrartovat 1.8i - tedy benzín

#8 Příspěvek od michal3475 » 27 říj 2014 17:41

Můžu připojit čerpadlo na proud napřímo? Že by zaplo prostě při zapnutí klíčku???

Uživatelský avatar
Tazik1992
Příspěvky: 1429
Registrován: 10 čer 2014 22:59
tel.: 602875958
auto: Defík
Bydliště: Holýšov,Kaznějov

Re: free nejde nasrartovat 1.8i - tedy benzín

#9 Příspěvek od Tazik1992 » 27 říj 2014 20:46

michal3475 píše:Můžu připojit čerpadlo na proud napřímo? Že by zaplo prostě při zapnutí klíčku???
:coze: Na co lidi nepřijdou :grin:

Patice pod relé vypadá dobře(neopálená,nezoxidovaná)?
Jak relátka spínají jsi zkoušel třeba alespoň připojením k té nabíječce?

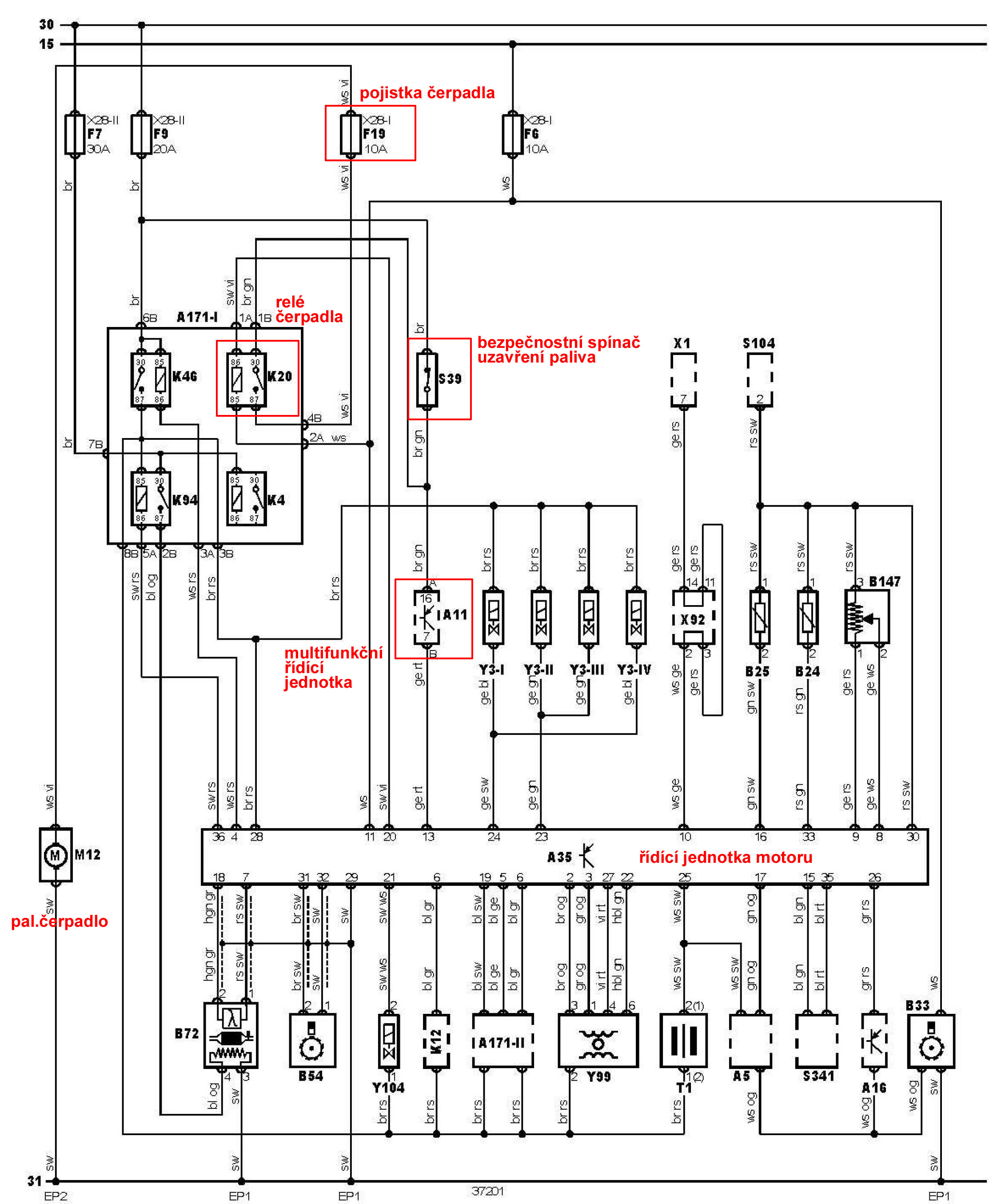
Signál dává ŘJ motoru. Okruh je kromě pojistky jištěn bezpečnostním spínačem uzavření paliva (rozpojí obvod čerpadla). Možná by mohl být problém v něm.
Na předchozím obrázku je to ta součástka v pravém horním rohu pod oknem (z vrchu má gumový kryt).
Viz Allanovo téma http://www.landroverforum.cz/forum/view ... =7&t=25613.
Možná bys ho mohl zkusit proměřit nebo na zkoušku překlemovat jak se to bude chovat.

zjednodušené schéma ovládaní čerpadla
free1,8 palivo.jpg
Sloužim lidu! :-)
Land Rover Defender 110SW 300Tdi 1998
ex-služební Land Rover Defender 2,4TDCi Puma 2008

y.sajty
Příspěvky: 227
Registrován: 28 dub 2011 16:57
auto: freelander1.8 LPG
Bydliště: Ostravsko

Re: free nejde nasrartovat 1.8i - tedy benzín

#10 Příspěvek od y.sajty » 28 říj 2014 09:57

pokud by byl zapnut bezp. zpínač,pak by benzín nešel ale tobě spíná čerpadlo náhodile a to spíš ukazuje na spínací skříňku,kde je špatný kontakt a někdy nejde proud k čerpadlu.Rozdělat spínací skříňku a podívat se na kontakty.Myslím,že to dokáže i trochu zručný amatér.

Uživatelský avatar
Tazik1992
Příspěvky: 1429
Registrován: 10 čer 2014 22:59
tel.: 602875958
auto: Defík
Bydliště: Holýšov,Kaznějov

Re: free nejde nasrartovat 1.8i - tedy benzín

#11 Příspěvek od Tazik1992 » 28 říj 2014 12:18

Jó,jo může to být jakýkoliv špatný kontakt v okruhu. On ten bezpečnostní spínač už může být taky nespolehlivej (kontakty,konektor), to neni že by byl rozpojenej.

Nepohasínají náhodou při neplatnym pokusu o start kontrolky. Doufam ,že nemáš takovou spínací skříňku, co máme v práci na jednom Nissanu. tam se musí člověk trefit klíčkem do okénka desetin milimetru aby seply kontakty. Takový auto se dá startovat celé minuty :sweat
Sloužim lidu! :-)
Land Rover Defender 110SW 300Tdi 1998
ex-služební Land Rover Defender 2,4TDCi Puma 2008

michal3475
Příspěvky: 75
Registrován: 02 bře 2009 13:21
Bydliště: Kamenický Šenov

Re: free nejde nasrartovat 1.8i - tedy benzín

#12 Příspěvek od michal3475 » 28 říj 2014 12:45

Dnes odzkoušeny relátka.....ty spínaj,takže asi v pohodě. Pro jistotu jsem kontakty trochu očistil. Teď to funguje a už vím, které spíná čerpadlo. Takže uvidím. Než jsem to šel zkusit, tak jsem ještě zkusil zmáčknout to bezp.relé a je pravda, že jsem ho zacvaknul. Tak teď budu zase zkoušet občas nastartovat a uvidím. Zatím snad funguje.......
Jinak, co může to relé vypnout???

Jakékoliv poznatky ocením a zatím dík moc :Sorry: :Sorry: :yes :yes

Uživatelský avatar
Tazik1992
Příspěvky: 1429
Registrován: 10 čer 2014 22:59
tel.: 602875958
auto: Defík
Bydliště: Holýšov,Kaznějov

Re: free nejde nasrartovat 1.8i - tedy benzín

#13 Příspěvek od Tazik1992 » 28 říj 2014 12:54

michal3475 píše:Jinak, co může to relé vypnout???
Jestli myslíš ten bezpečnostní vypínač, tak ten reaguje na otřesy, vibrace. Měl by tedy zejména vypnout při nárazu vozidla, jeho kutálení atd.
Sloužim lidu! :-)
Land Rover Defender 110SW 300Tdi 1998
ex-služební Land Rover Defender 2,4TDCi Puma 2008

mulder
Příspěvky: 32
Registrován: 28 srp 2011 11:40
tel.: +420603474419
auto: Discovery Td5,Rover
Bydliště: Miličín

Re: free nejde nasrartovat 1.8i - tedy benzín

#14 Příspěvek od mulder » 28 říj 2014 21:58

Měl jsem stejný problém na 1,8čce a dělal to vadný pojistkový panel uvnitř vozu. I když relé čerpadla vždy seplo tak k čerpadlu šel velmi slabý proud. Panel jsem neměnil,přidal jsem vedle box s pojistkou.
mulder

Odpovědět