Propojení baterií pouze pomocí manuální vyínače?
Moderátor: Acon
- Tomas K (tkala)
- Příspěvky: 1172
- Registrován: 09 zář 2009 14:25
Propojení baterií pouze pomocí manuální vyínače?
Ahoj,
chtěl bych u defa připojit druhou baterii paralelně pouze pomocí manuálního vypínače. Chci aby se dobíjela, sepnu, dorazím na místo, rozepnu...
Je v tom nějaký problém?
Jaký průřez kabelů a kolika ampérový vypínač tam musím dát, pokud chci v nouzi připnout záložní baterii i na nastartování?
Díky moc
Tom
chtěl bych u defa připojit druhou baterii paralelně pouze pomocí manuálního vypínače. Chci aby se dobíjela, sepnu, dorazím na místo, rozepnu...
Je v tom nějaký problém?
Jaký průřez kabelů a kolika ampérový vypínač tam musím dát, pokud chci v nouzi připnout záložní baterii i na nastartování?
Díky moc
Tom
- Radek J1
- Příspěvky: 53
- Registrován: 21 úno 2012 13:17
- auto: LR Discovery 1
- Bydliště: Dolní Cerekev
- Kontaktovat uživatele:
Re: Propojení baterií pouze pomocí manuální vyínače?
Propojovací kabely na nabíjení postačují cca 6-10mm2 Cu, pokud buděš chtí přes ně i startovat tak je potřeba 25mm2 a spínač na 150-200A.
Druhou baterii nabíjím přes obyčejné relé/40A/ které se sepne až po nastarování motoru (přes tlačítko) a po vypnutí zase odpadne. V případě potřeby propojím + kabelem (mínusy napřímo přes 16mm2).Propojení baterií mám pro jistotu jištěno 50A pojistkou.
R.
Druhou baterii nabíjím přes obyčejné relé/40A/ které se sepne až po nastarování motoru (přes tlačítko) a po vypnutí zase odpadne. V případě potřeby propojím + kabelem (mínusy napřímo přes 16mm2).Propojení baterií mám pro jistotu jištěno 50A pojistkou.
R.
-
MadTom
- Příspěvky: 15394
- Registrován: 06 lis 2008 23:15
- tel.: 608 600 360
- auto: D2, Def 130
- Bydliště: Olomouc
Re: Propojení baterií pouze pomocí manuální vyínače?
No a proč to neudělat automaticky? Na D2 to mám přes 70A relé, které ty baterie propojí pouze ve chvíli, kdy je klíček v pozici pro běh motoru. Druhou baterku mám na webasto a ledničku, není startovací. Manuální ovládání je o tom nezapomenout. Lepší řešení by bylo odvodit sepnutí relé od kontrolky dobíjení, případně u novějších aut, Puma by to už měla mít, od signálu běžícího motoru - je v novějších autech kvůli spínání žravé elektroniky.
Ono jsou v tom dva potenciální problémy - teda kromě zapomínající obsluhy.
1. při dobíjení aby se nepřetížil na jedné straně alternátor a na druhé straně aby baterka přímé připojení k alternátoru snesla. Karavanové a jiné nestartovací baterky mají omezený maximální proud, kterým se dají vybíjet nebo nabíjet.
2. ve chvíli kdy motor nevrčí a baterky by zůstaly propojené, budou se navzájem vybíjet a to skoro bez omezení. U olověných baterek dlouhodobě nepomůže ani to, když se koupí dvě stejné.
A jedno praktické doporučení - dát tam pojistky - a to na obě strany hned k baterkám, zvlášť když budou propojené silnějším drátem.
Čistě manuální ovládání má podle mě smysl použít jako bateriák - pro odpojení baterky od auta. Je to ale o tom, zda je takovéto odpojení od auta vlastně potřeba.
Ono jsou v tom dva potenciální problémy - teda kromě zapomínající obsluhy.
1. při dobíjení aby se nepřetížil na jedné straně alternátor a na druhé straně aby baterka přímé připojení k alternátoru snesla. Karavanové a jiné nestartovací baterky mají omezený maximální proud, kterým se dají vybíjet nebo nabíjet.
2. ve chvíli kdy motor nevrčí a baterky by zůstaly propojené, budou se navzájem vybíjet a to skoro bez omezení. U olověných baterek dlouhodobě nepomůže ani to, když se koupí dvě stejné.
A jedno praktické doporučení - dát tam pojistky - a to na obě strany hned k baterkám, zvlášť když budou propojené silnějším drátem.
Čistě manuální ovládání má podle mě smysl použít jako bateriák - pro odpojení baterky od auta. Je to ale o tom, zda je takovéto odpojení od auta vlastně potřeba.
Drobek - Discovery II TD5 pro ženu, Blufínek - Defender 130 TD5 na ježdění s dětma a mě zbyl už zase jenom Ford Mondeo
- Tomas K (tkala)
- Příspěvky: 1172
- Registrován: 09 zář 2009 14:25
Re: Propojení baterií pouze pomocí manuální vyínače?
Díky, s tím relé je to dobrý nápad.... Nechci "chytrou" elektroniku, mám ji v D3 a stejně večer (pokud musím ráno bezpodmíněčně nastartovat) manuálně odpojuju beterky od sebe, právě kvůli vzájemnému vybíjení. Už se mi stalo, že jsem nenastartoval. Ony se odpojí, ale až ve chvíli, kdy už jsou polovybité.
Tom
Tom
- RudaK
- Příspěvky: 8488
- Registrován: 24 lis 2006 18:09
- tel.: SONY Xperia Z3
- auto: D III + D 1
- Bydliště: Raygern - Sud mahren
Re: Propojení baterií pouze pomocí manuální vyínače?
Mám dvě baterky permanentně zapojené spolu a bateriový vypínač na navyják ...ještě se mě nestalo,že by jedna baterka vybila druhou ( mám to tak asi 4-6 let
možná i víc - on ten čas hrozně letí ) Teda jsou speciální " 2x Optima yelow " , tak jestli to nejní tím

spíš čekám,že to po té době obě baterky vzdají .....
a půjdou na krchov
spíš čekám,že to po té době obě baterky vzdají .....
D III - 2,7 TDV - The end result of a lot of hard work.
D 1 - 300 TDI 33x12.5R15 - už konečně nesmrtelná " SPIDERMAN "
D 1 - 300 TDI 33x12.5R15 - už konečně nesmrtelná " SPIDERMAN "
Re: Propojení baterií pouze pomocí manuální vyínače?
RudaK píše:Mám dvě baterky permanentně zapojené spolu a bateriový vypínač na navyják ...ještě se mě nestalo,že by jedna baterka vybila druhou ( mám to tak asi 4-6 letmožná i víc - on ten čas hrozně letí ) Teda jsou speciální " 2x Optima yelow " , tak jestli to nejní tím
![]()
spíš čekám,že to po té době obě baterky vzdají .....a půjdou na krchov
Mám to stejně a bez problémů, Optima yelow 75AH
Jednu mám pod sedačkou řidiče a druhou naležato ve zvětšeném kaslíku pod sedačkou spolujezce pod řídící jednotkou.
-
MadTom
- Příspěvky: 15394
- Registrován: 06 lis 2008 23:15
- tel.: 608 600 360
- auto: D2, Def 130
- Bydliště: Olomouc
Re: Propojení baterií pouze pomocí manuální vyínače?
Optima je dobrá baterka, ale má trošku malou kapacitu - předpokládám, že to Defa mi vejdou dvě 100Ah baterky pod sedadlo řidiče. A tentokrát to budou obě startovací AGM - v principu skoro ta samá konstrukce jako Optima, akorát to má desky placaté a ne smotané do válce.
Na paralelní spojování olověných baterek jsem se ptal vývojářů od Banneru z Rakouska a potvrdili mi, že to není ideální - nabíjení a vybíjení je OK, klidovej stav bez vybíjení není to pravé.
Za mě tam bude velký propojovací stykač, určený na trvalý provoz a podobnej stykač bude ve funkci odpojovače pro naviják.
Rozpojovat budu v klidu ale hlavně z jiného důvodu - abych ledničkou, webastem nebo třeba notebookem nebyl obě baterky a potom nenastartoval auto. A z tohoto důvodu to musí být automatické - pokud to zapomenu rozpojit, tak mohu vybít obě baterky, pokud to zapomenu zapojit, tak se mi druhá za jízdy nenabije a budu mít problém večer, až budu chtít pustit třeba webasto na spaní.
Na paralelní spojování olověných baterek jsem se ptal vývojářů od Banneru z Rakouska a potvrdili mi, že to není ideální - nabíjení a vybíjení je OK, klidovej stav bez vybíjení není to pravé.
Za mě tam bude velký propojovací stykač, určený na trvalý provoz a podobnej stykač bude ve funkci odpojovače pro naviják.
Rozpojovat budu v klidu ale hlavně z jiného důvodu - abych ledničkou, webastem nebo třeba notebookem nebyl obě baterky a potom nenastartoval auto. A z tohoto důvodu to musí být automatické - pokud to zapomenu rozpojit, tak mohu vybít obě baterky, pokud to zapomenu zapojit, tak se mi druhá za jízdy nenabije a budu mít problém večer, až budu chtít pustit třeba webasto na spaní.
Drobek - Discovery II TD5 pro ženu, Blufínek - Defender 130 TD5 na ježdění s dětma a mě zbyl už zase jenom Ford Mondeo
- low
- Admin fóra
- Příspěvky: 4205
- Registrován: 04 led 2007 10:39
- tel.: +420 603462950
- auto: def 110 + L322
- Bydliště: Praha
- Kontaktovat uživatele:
Re: Propojení baterií pouze pomocí manuální vyínače?
Tak jak pise madtom to mam namontovane a funkcni od r.2007.
jen spinam pres spinaci modul denniho sviceni ktery sepne az co zacne auto dobijet.
ta tak
jen spinam pres spinaci modul denniho sviceni ktery sepne az co zacne auto dobijet.
ta tak
http://www.offg.cz expediční poradenství, offroad expedice na míru po celém světě, offroadškola, http://www.offroadskola.cz
- Kokesek
- Příspěvky: 4471
- Registrován: 26 črc 2010 18:53
- auto: D2,D3,L322,P38,L405
- Bydliště: Frydek Mistek
- Kontaktovat uživatele:
Re: Propojení baterií pouze pomocí manuální vyínače?
pokud se nekomu bude hodit, rele (stykac), kable, silove pojistky 150A v boxu....tak mam na prodej cely set k navijaku, druhe baterce a se silovym rele (stykacem) min. 200A. na foto nejsou silove kable o prurezu prevelikem zakoncene silovym orig. lisovanym okem na prumer 8mm
Naposledy upravil(a) Kokesek dne 07 dub 2014 22:16, celkem upraveno 1 x.
- Kokesek
- Příspěvky: 4471
- Registrován: 26 črc 2010 18:53
- auto: D2,D3,L322,P38,L405
- Bydliště: Frydek Mistek
- Kontaktovat uživatele:
Re: Propojení baterií pouze pomocí manuální vyínače?
jeste prikladam ty kabely a otevrenou pojistkovku na 2x 150A, vse do sebe zapada jako stavebnice. je to system dobijeni dvou baterii primo z vozu A8, Phaeton, a Bentley continental.
- Přílohy
-
- IMG_2260-400.jpg (16.39 KiB) Zobrazeno 6805 x
-
- IMG_2261-400.jpg (17.48 KiB) Zobrazeno 6805 x
-
- IMG_2262-400.jpg (17.37 KiB) Zobrazeno 6805 x
-
- IMG_2258-400.jpg (17.59 KiB) Zobrazeno 6805 x
Re: Propojení baterií pouze pomocí manuální vyínače?
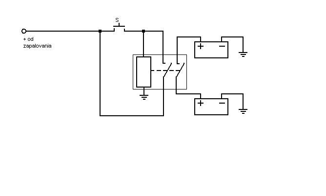
mimo prvý dotaz, ale k téme...
nakreslil som jednoduchú schému prepojenia batérii pomocou viackontaktového relé, a s manuálnym spínačom...
+ napájanie je od zopnutého zapaľovania, spínačom možno prepojiť batérie, zostanú prepojené pokiaľ beží motor...
nakreslil som jednoduchú schému prepojenia batérii pomocou viackontaktového relé, a s manuálnym spínačom...
+ napájanie je od zopnutého zapaľovania, spínačom možno prepojiť batérie, zostanú prepojené pokiaľ beží motor...