ložisko výstupu rozvodovky

Discovery I, II, III

Moderátor: Miky_CZ

Odpovědět
Zpráva
Autor
peters
Příspěvky: 62
Registrován: 05 črc 2009 17:10
tel.: 604964802
auto: LR DISCO I
Bydliště: Skalná okr.Cheb

ložisko výstupu rozvodovky

#1 Příspěvek od peters » 27 bře 2011 18:48

jak jsem se tak kochal pod autem zjistil jsem vůli na výstupu pro přední kardan.má někdo zkušenosti s výměnou tohoto ložiska?dá se to udělat na autě,nebo musí rozvodovka ven?dík za radu.
LR Disco I 300 Tdi ,BMW R1100GS De Sierto I
Radši druhej,ale zdravej !!

Uživatelský avatar
Miky_CZ
Příspěvky: 5784
Registrován: 29 čer 2008 13:47
tel.: 603 975 234
auto: DI, D3 V8, XK8
Bydliště: Ostrava

Re: ložisko výstupu rozvodovky

#2 Příspěvek od Miky_CZ » 27 bře 2011 19:01

peters píše:jak jsem se tak kochal pod autem zjistil jsem vůli na výstupu pro přední kardan.má někdo zkušenosti s výměnou tohoto ložiska?dá se to udělat na autě,nebo musí rozvodovka ven?dík za radu.
tak s timhle uz se odhodlavam k peslikovi asi tri mesice, rozvodovka musi podle jeho slov ven:-(
DI 300 Tdi: 4"lift, bodylift 2,5cm, BFG MT 285/75 R16, pevnostní nárazníky, prahy, přídavné světla, snorchel, CB, 2 navijáky, roll cage, kryty dif., žebřík, nájezdový plech, axle lock, true track, bufík atd
RRC 3,9 V8: závodní speciál

Uživatelský avatar
Forsttimber
Příspěvky: 1130
Registrován: 16 pro 2008 12:47
tel.: 0903147342
auto: Def 90 a ex D1 ,110
Bydliště: Mošovce okr. TR

Re: ložisko výstupu rozvodovky

#3 Příspěvek od Forsttimber » 27 bře 2011 20:39

ale nie niekde to tu bolo za sa to len stiahne a vymeni
da sa to urobit aj pod autom
skusim to najst
Real Land Rover is built, not bought

Uživatelský avatar
Miky_CZ
Příspěvky: 5784
Registrován: 29 čer 2008 13:47
tel.: 603 975 234
auto: DI, D3 V8, XK8
Bydliště: Ostrava

Re: ložisko výstupu rozvodovky

#4 Příspěvek od Miky_CZ » 27 bře 2011 20:43

Forsttimber píše:ale nie niekde to tu bolo za sa to len stiahne a vymeni
da sa to urobit aj pod autom
skusim to najst
no ale ty loziska jsou tam pokud se nemylim dve a normalne jde vymenit jenom to vnejsi, aspon tak nejak mi to bylo myslim vysvetlovano
DI 300 Tdi: 4"lift, bodylift 2,5cm, BFG MT 285/75 R16, pevnostní nárazníky, prahy, přídavné světla, snorchel, CB, 2 navijáky, roll cage, kryty dif., žebřík, nájezdový plech, axle lock, true track, bufík atd
RRC 3,9 V8: závodní speciál

peters
Příspěvky: 62
Registrován: 05 črc 2009 17:10
tel.: 604964802
auto: LR DISCO I
Bydliště: Skalná okr.Cheb

Re: ložisko výstupu rozvodovky

#5 Příspěvek od peters » 28 bře 2011 08:03

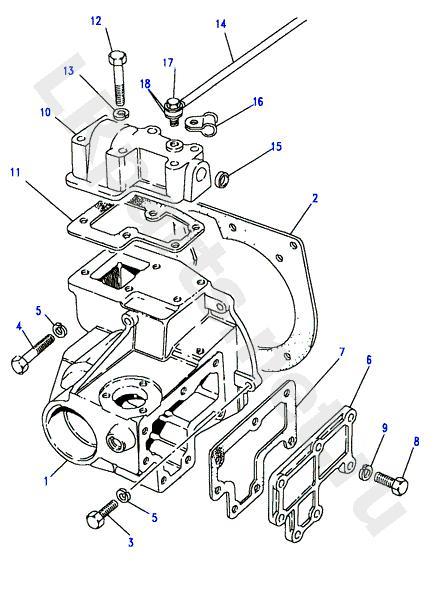
našel jsem skladbu dílů výstupní hřídele /e-obchod promine/,podle mě je to ale zadní vývod což nemusí být totožný.jak je to nakreslený ,tak by to mělo jít ven celý včetně hřídele,jde o to aby se mi nesesypala kolečka do skříně.

http://www.offroad4x4shop.cz/detail/dis ... ce-kardanu" onclick="window.open(this.href);return false;
LR Disco I 300 Tdi ,BMW R1100GS De Sierto I
Radši druhej,ale zdravej !!

Uživatelský avatar
Kanec
Příspěvky: 172
Registrován: 31 bře 2010 22:20
tel.: 732323452
auto: LR Disco 300Tdi
Bydliště: Praha

Re: ložisko výstupu rozvodovky

#6 Příspěvek od Kanec » 28 bře 2011 08:53

Ložisko co jsi našel by mělo být totožný s tím předním vývodem, akorád jestli si dobře pamatuju tak výměna předního ložiska je o něco složitější, tím že je tam ještě řazení uzávěrky mezinápravy. Vím že jsme o tom přemýšlely jestli by to šlo udělat na autě ale je tam dost málo míst tak jsem radši vyndavali rozvodovku ven. Tady máš pár obrázků toho předního vývodu z rozvodovky.
1231_033570832.jpeg
1231_033570832.jpeg (37.06 KiB) Zobrazeno 3831 x
1231_033570752.jpeg
1231_033570752.jpeg (47.33 KiB) Zobrazeno 3831 x
1231_033570672.jpeg
1231_033570672.jpeg (39.87 KiB) Zobrazeno 3831 x

Uživatelský avatar
powl
Příspěvky: 431
Registrován: 15 zář 2009 13:37
Bydliště: Jablonec nN

Re: ložisko výstupu rozvodovky

#7 Příspěvek od powl » 28 bře 2011 11:03

To vnejsi lozisko jak psal Miky jde udelat na aute a je to brnkacka :wink: :
http://landroverforum.klape.cz/forum/vi ... 73#p157973" onclick="window.open(this.href);return false;

Doporucuju dat pak pod matku unasece lepidlo, i kdyz je samojistici a utah sem ji jako krava povolila se
Nežli čekat na šediny, lepší je dělat kraviny

peters
Příspěvky: 62
Registrován: 05 črc 2009 17:10
tel.: 604964802
auto: LR DISCO I
Bydliště: Skalná okr.Cheb

Re: ložisko výstupu rozvodovky

#8 Příspěvek od peters » 28 bře 2011 18:46

dík za rady a odkazy.víc hlav ,víc ví.jdu do toho.
LR Disco I 300 Tdi ,BMW R1100GS De Sierto I
Radši druhej,ale zdravej !!

Odpovědět