Stránka 27 z 55
Re: Rychlo dotazy
Napsal: 15 kvě 2020 20:08
od panRichard
Tazik1992 píše: 15 kvě 2020 19:58
panRichard píše: 15 kvě 2020 19:53
auto měl předemnou nějaký kutil a půlka věcí z elektra je všude možně porozpojovaná
No, to je pěkný. To budeš mít o zábavu postaráno.
panRichard píše: 15 kvě 2020 19:55
a když teda odpojím ten kabel, co vede k prvnímu žhaviči?
Tak to bude v tomdle případě nejjednosušší řešení (stačí jej pečlivě zaizolovat)
já už ho mám nějakou dobu, mám to jen na popojíždění kolem baráku a doteď celkem fungoval.. uvidíme, co mi na to poví, až to přivezu do servisu... začínám se bát...
díky moc za rady, dobiju baterku a zkusím to.
Re: Rychlo dotazy
Napsal: 15 kvě 2020 20:21
od Tazik1992
No jestli furt žhaví, tak dle zapojení to může být jedině řídící relé žhavení. To je dle všeho spínaný na tupo jen přes relé startéru.
Re: Rychlo dotazy
Napsal: 15 kvě 2020 20:33
od panRichard
Tazik1992 píše: 15 kvě 2020 20:21
No jestli furt žhaví, tak dle zapojení to může být jedině řídící relé žhavení. To je dle všeho spínaný na tupo jen přes relé startéru.
Paráda... to až to v servisu uvidí, tak mě s tím tak akorát vyhodí. Bůh ví, jestli to vlastně nežhavilo pořád, co jsem s tím jezdil...jestli je to teda možný (krátký tras tak do 15 km).
Re: Rychlo dotazy
Napsal: 15 kvě 2020 21:01
od Tazik1992
panRichard píše: 15 kvě 2020 20:33
Paráda... to až to v servisu uvidí, tak mě s tím tak akorát vyhodí.
No já myslim, že za takový jednoduchý závady (teda pokud je to fakt ono) se v servisech naopak modlí
A jak si přišel na to, že to furt žhaví. Si měřil voltmetrem napětí na žhavičkách ? Bych tipoval, že ty už dávno dožhavily, jestli dostávaly takovou sodu.
Re: Rychlo dotazy
Napsal: 15 kvě 2020 21:04
od filip91
co se týče použitelnosti pravostranné nápravy na levostranné auto nikdo neví?

Re: Rychlo dotazy
Napsal: 15 kvě 2020 22:22
od panRichard
Tazik1992 píše: 15 kvě 2020 21:01
panRichard píše: 15 kvě 2020 20:33
Paráda... to až to v servisu uvidí, tak mě s tím tak akorát vyhodí.
No já myslim, že za takový jednoduchý závady (teda pokud je to fakt ono) se v servisech naopak modlí
A jak si přišel na to, že to furt žhaví. Si měřil voltmetrem napětí na žhavičkách ? Bych tipoval, že ty už dávno dožhavily, jestli dostávaly takovou sodu.
No, ono to dostartovalo. Takže my to tchán proměřil a zjistil právě, že to žhavilo stále. Žhaviče jsem tedy vyměnil (i když jen 3, ten za klimakompresorem nevyndam) a teď to natočim. Ale žhavení jede furt.
Já to na tu cestu do servisu zkusím odpojit a uvidíme.
Ale jak jsem psal, nedivil bych se, že jsem s tím jezdil celou dobu, než jsem právě odpálil ty žhaviče.
Re: Rychlo dotazy
Napsal: 15 kvě 2020 22:33
od VencaZE
filip91 píše: 15 kvě 2020 21:04
co se týče použitelnosti pravostranné nápravy na levostranné auto nikdo neví?
Starší nápravy nejdou zaměnit, novější jdou zaměnit bez nutnosti výměny těhlice.
Když se na ně podíváš zepředu tak to uvidíš.
Re: Rychlo dotazy
Napsal: 18 kvě 2020 21:07
od panRichard
Ještě prosím dotaz na téma mého žhavení u D1. Žhaví tedy stále i po nastarování. A když přiložím ruku na první žhavič (první od kabiny), tak ten hodně hřeje i takhle na dotek. Ostatní dále co jsou tak ne... Čím to prosím může být? Žhaviče jsou pak postupně zapojené na stejném kabelu, tak mi to hlava nebere. Díky!
Re: Rychlo dotazy
Napsal: 18 kvě 2020 21:32
od DanoDEF
Tak tie ostatne uz budu po smrti.
Re: Rychlo dotazy
Napsal: 18 kvě 2020 21:38
od Tazik1992
panRichard píše: 18 kvě 2020 21:07
A když přiložím ruku na první žhavič (první od kabiny), tak ten hodně hřeje i takhle na dotek. Ostatní dále co jsou tak ne...
Jak je to dlouho, co jsi vyměnil ty žhaviče ? Je možný, že už jsou znovu přepálený. Nebo muže být přerušený kabel za tou první svíčkou (případně tam může být špatný kontakt). Změř jestli je stejné napětí opravdu na všech svíčkách. Idealní by bylo změřit ampérmetrem odběr - každá svíčka bere cca 14A po ohřátí. Nebo aspoň odpojit kabel a změřit odpor každé svíčky - má cca 0,3Ohmu za studena. Chtělo by to vyndat to řídící relé od žhavení a zkontrolovat jestli není hlavní kontakt trvale sepnutý=spečený. To relé by mělo být hned za tou pojistkovkou, ale u Tvého vozu těžko říct

Re: Rychlo dotazy
Napsal: 19 kvě 2020 08:08
od panRichard
Tazik1992 píše: 18 kvě 2020 21:38
panRichard píše: 18 kvě 2020 21:07
A když přiložím ruku na první žhavič (první od kabiny), tak ten hodně hřeje i takhle na dotek. Ostatní dále co jsou tak ne...
Jak je to dlouho, co jsi vyměnil ty žhaviče ? Je možný, že už jsou znovu přepálený. Nebo muže být přerušený kabel za tou první svíčkou (případně tam může být špatný kontakt). Změř jestli je stejné napětí opravdu na všech svíčkách. Idealní by bylo změřit ampérmetrem odběr - každá svíčka bere cca 14A po ohřátí. Nebo aspoň odpojit kabel a změřit odpor každé svíčky - má cca 0,3Ohmu za studena. Chtělo by to vyndat to řídící relé od žhavení a zkontrolovat jestli není hlavní kontakt trvale sepnutý=spečený. To relé by mělo být hned za tou pojistkovkou, ale u Tvého vozu těžko říct
ahoj, žhaviče jsou tam nové, ty jsem tam dal před zimou a pak s autem jel jen třeba tři minuty na zkoušku. Tak to jsem je snad neodpálil. Ampérmetr zkusím sehnat a proměřím jak jsi psal. Jak prosím na tom relé poznám, že je v háji? To jsem podle tvého návodu našel, díky.
Re: Rychlo dotazy
Napsal: 19 kvě 2020 09:59
od Tazik1992
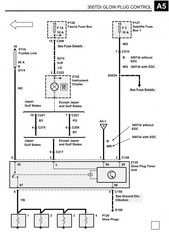
Čau, no tak aspoň, že něco je na svém místě. Vezmi ohmmetr nebo nějakou prozváněčku, v nouzi třeba baterku se žárovkou a zkus jestli nejsou propojené ty dva velké široké kontakty na tom relé. Ty přímo spínají okruh žhavení na stanovenou dobu. Když je relé bez napětí, tak musí být rozpojené. Pokud zjistíš, že jsou rozpojené, tak jsou ještě dvě možnosti - buď můžou být spečené kontakty nebo kabely u patice relé (to asi poznáš i okem v jakém je stavu, můžeš i zkontrolovat změřením) nebo je vadná elektronika relé a po připojení napětí relé trvale sepne. To se dá taky vyzkoušet na stole. Na kontakt 86 připojíš mínus baterky, na kontakt 85 plus 12V a pak drátkem přivedeš napětí 12V ještě na kontakt 50 - relé by mělo sepnout a po cca 8sekundách zase odskočit.

- Disco 300TDi
Re: Rychlo dotazy
Napsal: 19 kvě 2020 15:17
od panRichard
Tazik1992 píše: 19 kvě 2020 09:59
Čau, no tak aspoň, že něco je na svém místě. Vezmi ohmmetr nebo nějakou prozváněčku, v nouzi třeba baterku se žárovkou a zkus jestli nejsou propojené ty dva velké široké kontakty na tom relé. Ty přímo spínají okruh žhavení na stanovenou dobu. Když je relé bez napětí, tak musí být rozpojené. Pokud zjistíš, že jsou rozpojené, tak jsou ještě dvě možnosti - buď můžou být spečené kontakty nebo kabely u patice relé (to asi poznáš i okem v jakém je stavu, můžeš i zkontrolovat změřením) nebo je vadná elektronika relé a po připojení napětí relé trvale sepne. To se dá taky vyzkoušet na stole. Na kontakt 86 připojíš mínus baterky, na kontakt 85 plus 12V a pak drátkem přivedeš napětí 12V ještě na kontakt 50 - relé by mělo sepnout a po cca 8sekundách zase odskočit.
300TDi žhavení.jpg
ahoj, moc díky za vyčerpávající návody

já jsem teda díky tomu našel to relé, to jsem psal. Ještě ráno jsem pak očistil tu oxidaci, co byla na kontaktech a rychle jsem to zkusil. Tou mojí "super" metodou zkoušky rukou to vypadá,
že už to nehřeje po nastartování - ten první žhavič a ani tedy ostatní. Vypadá to dobře

Ale stejně to udělám ještě jak jsi psal ten návod na test toho relé. Půjčím si prozváněčku a až jí budu mít, tak dám vědět jak se to tváří.
Moc díky!
Re: Rychlo dotazy
Napsal: 19 kvě 2020 18:37
od Tazik1992
panRichard píše: 19 kvě 2020 15:17
už to nehřeje po nastartování - ten první žhavič a ani tedy ostatní.
Já myslim, že zhasla i ta poslední svíčka

. A je slyšet aspoň nějaké cvaknutí z toho relé ? Kdyžtak na něm drž ruku a ať Ti někdo otočí klíčkem.
Re: Rychlo dotazy
Napsal: 19 kvě 2020 19:25
od MadTom
Si kup za 200Kč někde v elektru nebo Baumaxu multimetr a změř si, jestli máš na vývodech pro žhavičky napětí když má žhavit a nemáš, když už žhavit nemá. A potom si odpojíš dráty od žhaviček a jako první test změříš, jestli mají a jaký odpor. Tím i bez demontáže poznáš, jestli nejsou úplně mrtvé (přepálené). Není to nic složitého.
Re: Rychlo dotazy
Napsal: 21 kvě 2020 17:44
od panRichard
Tazik1992 píše: 19 kvě 2020 18:37
panRichard píše: 19 kvě 2020 15:17
už to nehřeje po nastartování - ten první žhavič a ani tedy ostatní.
Já myslim, že zhasla i ta poslední svíčka

. A je slyšet aspoň nějaké cvaknutí z toho relé ? Kdyžtak na něm drž ruku a ať Ti někdo otočí klíčkem.
ja jen v rychlosti, pac se ted k tomu nemuzu vubec dostat a zatim nemam tu prozvanecku... ale, rele cvaka, zkousel jsem jak jsi psal, takze dobre. A kdyz necham nekolikrat po sobe zhavit bez nastartovani, tak se ten zhavic pekne rozpaluje,
takze to vypada nadejne. Pak teda zkusim ty trosku sofistikovanejsi metody, co jsi psal Ty a nize kolega. Moc diky!
Re: Rychlo dotazy
Napsal: 21 kvě 2020 19:25
od Tazik1992
To zní trochu slibně. Víc už se dozvíš jen s tím multimetrem. To relé mohlo být slepené a jestli si s ním při manipulaci ťuknul, tak mohlo odskočit. A jestli Ti teď funguje třeba jen jedna,dvě svíčky, tak spíná, ale možná až poběží zase všechny, tak to může začít znovu blbnou. Pak bys ho musel jedině zkusit rozlousknout a prohlídnou kontakt a zhodnotit jestli by se dalo zachránit nebo bude lepší koupit nové. Určitě nějakým kontaktolem alespoň ošetři vývody relé a hlavně i tu jeho patici.
Re: Rychlo dotazy
Napsal: 21 kvě 2020 21:29
od brunko

nemate niekto potuchy ako vybrat ten kriz odtial? je to z dvojiteho kardanu a uz bez misiek.
Re: Rychlo dotazy
Napsal: 21 kvě 2020 22:41
od MadTom
Normální ježek v kleci. Chce to trošku snahu a pokud už byly kříže hodně načaté, tak se podívat, jestli to není někde mo vymačkané. Případně se podívej, jestli některá část kříže není menší - někdy to bývá v místě, kde se šroubuje maznice, je to okolo díry zafrézované.
A poznámka - novej kříž tam musí jí zpět stejným způsobem jenom pozpátku.
Re: Rychlo dotazy
Napsal: 22 kvě 2020 16:13
od panRichard
Tazik1992 píše: 21 kvě 2020 19:25
To zní trochu slibně. Víc už se dozvíš jen s tím multimetrem. To relé mohlo být slepené a jestli si s ním při manipulaci ťuknul, tak mohlo odskočit. A jestli Ti teď funguje třeba jen jedna,dvě svíčky, tak spíná, ale možná až poběží zase všechny, tak to může začít znovu blbnou. Pak bys ho musel jedině zkusit rozlousknout a prohlídnou kontakt a zhodnotit jestli by se dalo zachránit nebo bude lepší koupit nové. Určitě nějakým kontaktolem alespoň ošetři vývody relé a hlavně i tu jeho patici.
ahoj, i kdyby to nakonec bylo tím relé a to relé by bylo na vyhození, tak bych to považoval ještě za dobrou závadu

zatím moc díky za rady, které mi hodně pomohly.