poradíte, kde sehnat na Discovery 1 (1995) levně, klidně starší kompletní tažné zařízení? Případně nemáte to někdo na prodej vč. typového listu? Na tom autě není vůbec nic. Jen nárazník a dvě díry
Kompletní tažné vč. čepu
Moderátor: Miky_CZ
- lany_czech
- Příspěvky: 24
- Registrován: 30 dub 2013 23:00
- auto: Discovery 1 Tdi
Kompletní tažné vč. čepu
Ahoj,
poradíte, kde sehnat na Discovery 1 (1995) levně, klidně starší kompletní tažné zařízení? Případně nemáte to někdo na prodej vč. typového listu? Na tom autě není vůbec nic. Jen nárazník a dvě díry
Děkuji pěkně.
poradíte, kde sehnat na Discovery 1 (1995) levně, klidně starší kompletní tažné zařízení? Případně nemáte to někdo na prodej vč. typového listu? Na tom autě není vůbec nic. Jen nárazník a dvě díry
Re: Kompletní tažné vč. čepu
Ty, že jsi nakonec popad toho třídveřáka??lany_czech píše:Ahoj,
poradíte, kde sehnat na Discovery 1 (1995) levně, klidně starší kompletní tažné zařízení? Případně nemáte to někdo na prodej vč. typového listu? Na tom autě není vůbec nic. Jen nárazník a dvě díryDěkuji pěkně.
No road? No problem...
LR užívej s klidem a rozvahou Angličana, jinak tě dostane do blázince
LR užívej s klidem a rozvahou Angličana, jinak tě dostane do blázince
- lany_czech
- Příspěvky: 24
- Registrován: 30 dub 2013 23:00
- auto: Discovery 1 Tdi
Re: Kompletní tažné vč. čepu
Tak když nikdo nemá nic staršího, nedoporučíte, co mám koupit, prosím? Zatím koukám na ... http://www.litep4x4.cz/detail/discovery ... e-zarizeni" onclick="window.open(this.href);return false;
A nebo zajedu do Brna a udělají mi to hned. http://www.taznazarizeni.eu/landrover~c253.html" onclick="window.open(this.href);return false;
A taky kde namontovat? Ideálně okolí Jihlavy nebo Žďáru nad Sázavou.
A nebo zajedu do Brna a udělají mi to hned. http://www.taznazarizeni.eu/landrover~c253.html" onclick="window.open(this.href);return false;
A taky kde namontovat? Ideálně okolí Jihlavy nebo Žďáru nad Sázavou.
-
MarekS
Re: Kompletní tažné vč. čepu
Seš ve špatným vlákně je tu poptávka po náhradních dílech a pak existuje
stačí zavolat třeba
Akorát ke staršímu typovej list nedostaneš to bude chtít

Akorát ke staršímu typovej list nedostaneš to bude chtít
- Land Jirka
- Příspěvky: 3614
- Registrován: 29 lis 2006 18:40
- tel.: +420731913431
- auto: Land Rover
- Bydliště: Boskovice
- Kontaktovat uživatele:
Re: Kompletní tažné vč. čepu
jezdím s autama do toho brna ...
namontují na počkání se všema papírama potom stačí zajít na úřad a nechat zapsat do TP
namontují na počkání se všema papírama potom stačí zajít na úřad a nechat zapsat do TP
Land Rover 4x4 SERVIS, PRODEJ DÍLŮ LAND ROVER, DIAGNOSTIKA, OPRAVY A ÚPRAVY LAND ROVER, RENOVACE VETERÁNŮ
Tel: 731913431
Tel: 731913431
- Hanys_a_Kaca
- Příspěvky: 6548
- Registrován: 18 kvě 2010 09:13
- tel.: 775 173 983
- auto: DEF110+D2+RRC
- Bydliště: Prachatice / Budějice
Re: Kompletní tažné vč. čepu
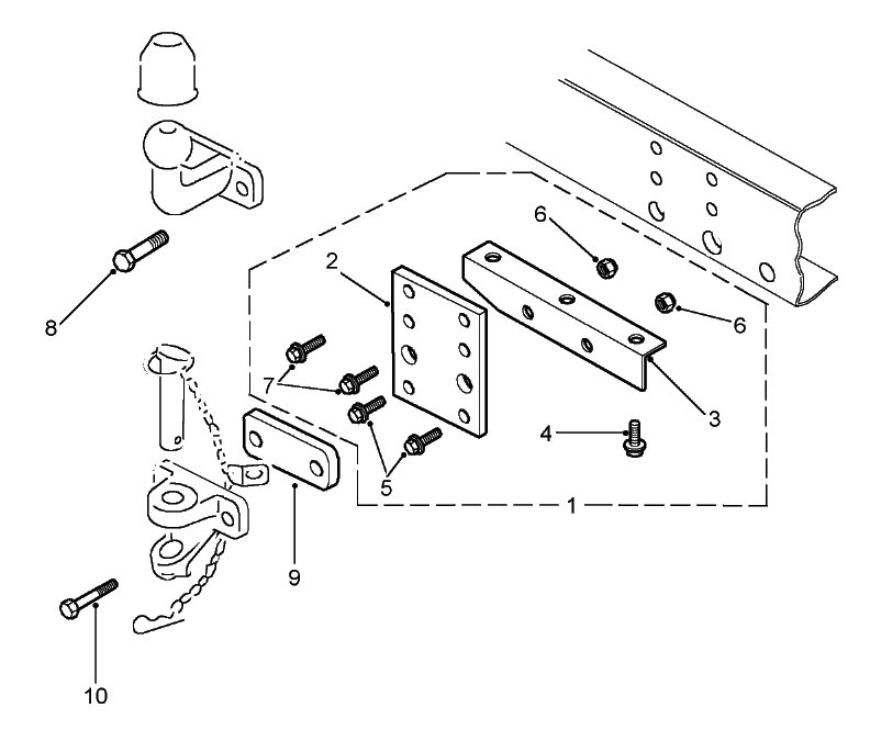
Tož chlapi jsem sice trochu mimo rubriku - je to na defa, ale rychlej dotaz: Jaká je rozteč středů děr a průměr děr té věci třeba číslo 9 na obrázku? Páchám tady takovou věc a nemám auto u sebe. Děkuju.
Re: Kompletní tažné vč. čepu
Na D2 to je 90mm, na Defa to asi bude rovnake. Priemer dier je ~18mm
if it ain't broke, don't fix it
- Hanys_a_Kaca
- Příspěvky: 6548
- Registrován: 18 kvě 2010 09:13
- tel.: 775 173 983
- auto: DEF110+D2+RRC
- Bydliště: Prachatice / Budějice
Re: Kompletní tažné vč. čepu
petmic píše:Na D2 to je 90mm, na Defa to asi bude rovnake. Priemer dier je ~18mm