Zdravím mám problém že tachometer mi prestal ukazovať rýchlosť a rátať km. raz sa to už stalo ale potom pri jazde po diaľnici sa spamätal ale teraz to nejde už dlhšiu dobu a neviem čo stým poistky sú o.k. nemá nemal niekto podobný problém????
A druhá vec prestali mi fungovať predne stierače odstrekovač ide ale stierače nič je pravda že v zime štrajkovali že chvíľu im trvalo nech sa rozhýbu ale teraz je pekne teplo a žiadna odozva prosím pomoc.
Problem-Tachometer neukazuje
Re: Problem-Tachometer neukazuje
... ak su poistky OK ako tvrdis treba skontrolovat ci nemas "vypadnuty" snimac na redukcnej prevodovke. Je iba zacvaknuty a nejaky konar ti ho mohol vytiahnut.
LR Defender Td5 110SW po "prestavbe" a pred "prestavbou".
- Tomo112
- Příspěvky: 81
- Registrován: 14 lis 2009 22:01
- auto: DEFENDER 110 TD5
- Bydliště: Slovensko-Bratislava
Re: Problem-Tachometer neukazuje
A nevies nahodou ake ma mat hodnoty ten snimac ze by som ho premeral lebo nikde som ich nenasielDanoDEF píše:... ak su poistky OK ako tvrdis treba skontrolovat ci nemas "vypadnuty" snimac na redukcnej prevodovke. Je iba zacvaknuty a nejaky konar ti ho mohol vytiahnut.
Re: Problem-Tachometer neukazuje
... na to potrebujes osciloskop. Ma tam byt kostra, +12V a vystup s impulzami.Tomo112 píše: A nevies nahodou ake ma mat hodnoty ten snimac ze by som ho premeral lebo nikde som ich nenasiel
LR Defender Td5 110SW po "prestavbe" a pred "prestavbou".
- Tomo112
- Příspěvky: 81
- Registrován: 14 lis 2009 22:01
- auto: DEFENDER 110 TD5
- Bydliště: Slovensko-Bratislava
Re: Problem-Tachometer neukazuje
No osciloskop by nebol problem taketo hracky v robote mameDanoDEF píše:... na to potrebujes osciloskop. Ma tam byt kostra, +12V a vystup s impulzami.Tomo112 píše: A nevies nahodou ake ma mat hodnoty ten snimac ze by som ho premeral lebo nikde som ich nenasiel
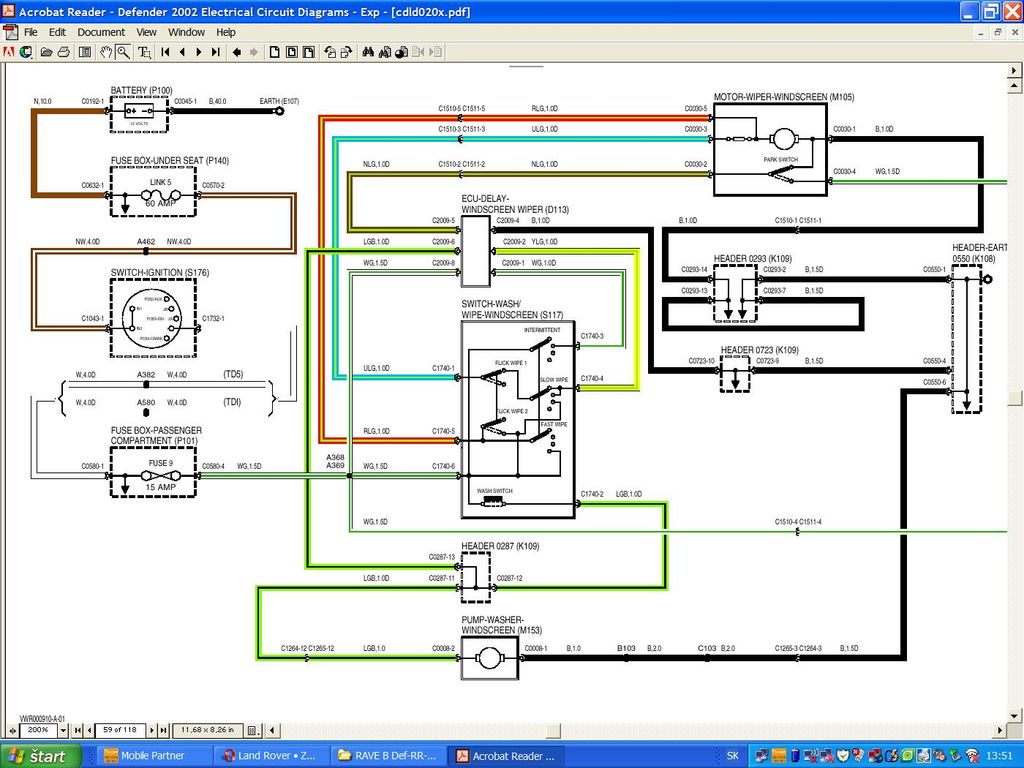
A stimy stieracmy co to ma viac trapy tachometer neni taky poctatny potrebujem vidiet von cez okno
Re: Problem-Tachometer neukazuje
... skus studovat
- Přílohy
-
- stierace.JPG
- (137.6 KiB) Staženo 411 x
LR Defender Td5 110SW po "prestavbe" a pred "prestavbou".
- Tomo112
- Příspěvky: 81
- Registrován: 14 lis 2009 22:01
- auto: DEFENDER 110 TD5
- Bydliště: Slovensko-Bratislava
Re: Problem-Tachometer neukazuje
Nemohol by si mi tie schemy prosimta preposlat alebo dat link kde sa daju stiahnut prosíímDanoDEF píše:... skus studovat
Apropo do Tisovca ides?