Dobíjení defender 300tdi
Moderátor: Acon
- VencaZE
- Příspěvky: 3631
- Registrován: 17 kvě 2008 14:51
- tel.: 602 550 993
- auto: 110HT, S2A 88, G66
- Bydliště: Brod nad Tichou, okr. Tachov
- Kontaktovat uživatele:
Re: Dobíjení defender 300tdi
Máš pravdu, 4W do 300 fakt nejdou. Prostě pokud je to možné tak při stejný patici nejbližší možný vyšší příkon.
Když to nepomůže tak je chyba jinde. Kabely, prokostření, regulátor, samotný altík, prokluz řemenu, nízký volnoběh. Nebo souběh více věcí.
Když to nepomůže tak je chyba jinde. Kabely, prokostření, regulátor, samotný altík, prokluz řemenu, nízký volnoběh. Nebo souběh více věcí.
Urbanovi Pneu&Cars- Servis Land Rover, diagnostika, autoelektro, pneuservis a jiné.. urbanovipneucars@email.cz
WWW: http://www.landroverforum.cz/forum/view ... 12&t=26864
Proč bychom se dřeli, když můžeme spálit trochu nafty. OK1LRD
WWW: http://www.landroverforum.cz/forum/view ... 12&t=26864
Proč bychom se dřeli, když můžeme spálit trochu nafty. OK1LRD
- Tazik1992
- Příspěvky: 1429
- Registrován: 10 čer 2014 22:59
- tel.: 602875958
- auto: Defík
- Bydliště: Holýšov,Kaznějov
Re: Dobíjení defender 300tdi
Tak to jo.
Ale přeci jen mi to nedalo a byl jsem teď znova měřit. A jak by řekl klasik, Všecko je jinak. Když nastartuju a svítí kontrolka, tak opravdu nedobíjí. Když prošlápnu plyn a kontrolka zhasne, tak se chytne - 14,2 až 14,4V (i při zátěži), dobíjí cca 7,5A. Když vyndám žárovičku z kontrolky, tak nedobíjí ani po prošlápnutí plynu. A to je divné! Protože dle schématu v RAVE je paralelně k žárovce připojen rezistor, který ve skutečností zajišťuje buzení altíku. Ta žárovka tam hraje druhý housle. Hodnota rezistoru je ovšem nejasná - ve schématu "Nabíjení a startování" je hodnota 1,3Ohmu a ve schématu "Přístrojovka" je 24Ohmů. Ale já když jsem vyndal žárovičku a změřil odpor na svorkách plošňáku, tak mi to ukázalo 3,7kOhmu, takže si myslím, že ten rezistor je včudu. Mohl by prosím někdo na 300vce zkusit vyndat žárovičku dobíjení a změřit odpor na kontaktech na tom plošňáku ?
Ale přeci jen mi to nedalo a byl jsem teď znova měřit. A jak by řekl klasik, Všecko je jinak. Když nastartuju a svítí kontrolka, tak opravdu nedobíjí. Když prošlápnu plyn a kontrolka zhasne, tak se chytne - 14,2 až 14,4V (i při zátěži), dobíjí cca 7,5A. Když vyndám žárovičku z kontrolky, tak nedobíjí ani po prošlápnutí plynu. A to je divné! Protože dle schématu v RAVE je paralelně k žárovce připojen rezistor, který ve skutečností zajišťuje buzení altíku. Ta žárovka tam hraje druhý housle. Hodnota rezistoru je ovšem nejasná - ve schématu "Nabíjení a startování" je hodnota 1,3Ohmu a ve schématu "Přístrojovka" je 24Ohmů. Ale já když jsem vyndal žárovičku a změřil odpor na svorkách plošňáku, tak mi to ukázalo 3,7kOhmu, takže si myslím, že ten rezistor je včudu. Mohl by prosím někdo na 300vce zkusit vyndat žárovičku dobíjení a změřit odpor na kontaktech na tom plošňáku ?
Sloužim lidu! :-)
Land Rover Defender 110SW 300Tdi 1998
ex-služební Land Rover Defender 2,4TDCi Puma 2008
Land Rover Defender 110SW 300Tdi 1998
ex-služební Land Rover Defender 2,4TDCi Puma 2008
- VencaZE
- Příspěvky: 3631
- Registrován: 17 kvě 2008 14:51
- tel.: 602 550 993
- auto: 110HT, S2A 88, G66
- Bydliště: Brod nad Tichou, okr. Tachov
- Kontaktovat uživatele:
Re: Dobíjení defender 300tdi
No vida, to jsem nevěděl. Ale princip je platný. Bohužel tu zrovna žádnou třístovku nemám. Resp. jestli je ten rezistor v přístrojovce Discovery tak tu tady mám ke změření.
Nebo můžeš zkusit zapojit nějaký potenciometr a najít ideální hodnotu.
Nebo můžeš zkusit zapojit nějaký potenciometr a najít ideální hodnotu.
Urbanovi Pneu&Cars- Servis Land Rover, diagnostika, autoelektro, pneuservis a jiné.. urbanovipneucars@email.cz
WWW: http://www.landroverforum.cz/forum/view ... 12&t=26864
Proč bychom se dřeli, když můžeme spálit trochu nafty. OK1LRD
WWW: http://www.landroverforum.cz/forum/view ... 12&t=26864
Proč bychom se dřeli, když můžeme spálit trochu nafty. OK1LRD
- Tazik1992
- Příspěvky: 1429
- Registrován: 10 čer 2014 22:59
- tel.: 602875958
- auto: Defík
- Bydliště: Holýšov,Kaznějov
Re: Dobíjení defender 300tdi
Jo s tou výkonější žárovkou to bude budit víc, sem koukal že Td5ka už má rovnou 5Wku. Disco to má taky jinak. Seženu si vhodný poťák a zkusím zalaborovat. Hlavně potřebuju najít pod přístrojovkou ten odpor zamotanej ve svazku.
Sloužim lidu! :-)
Land Rover Defender 110SW 300Tdi 1998
ex-služební Land Rover Defender 2,4TDCi Puma 2008
Land Rover Defender 110SW 300Tdi 1998
ex-služební Land Rover Defender 2,4TDCi Puma 2008
-
MadTom
- Příspěvky: 15387
- Registrován: 06 lis 2008 23:15
- tel.: 608 600 360
- auto: D2, Def 130
- Bydliště: Olomouc
Re: Dobíjení defender 300tdi
TD5ka má na palubce LEDku, jak Disco2 tak Def.
Drobek - Discovery II TD5 pro ženu, Blufínek - Defender 130 TD5 na ježdění s dětma a mě zbyl už zase jenom Ford Mondeo
- Tazik1992
- Příspěvky: 1429
- Registrován: 10 čer 2014 22:59
- tel.: 602875958
- auto: Defík
- Bydliště: Holýšov,Kaznějov
Re: Dobíjení defender 300tdi
No to máš pravdu, tam je vlastně celý plošňák s LEDkama. Dokonce mám i vlastní fotku
. I když, platí to i pro TD5ky z let 99-01 ? Tam je ve schématech ta žárovka. Na tom plošňáku je teda vidět Defender 99.
Sloužim lidu! :-)
Land Rover Defender 110SW 300Tdi 1998
ex-služební Land Rover Defender 2,4TDCi Puma 2008
Land Rover Defender 110SW 300Tdi 1998
ex-služební Land Rover Defender 2,4TDCi Puma 2008
- Tazik1992
- Příspěvky: 1429
- Registrován: 10 čer 2014 22:59
- tel.: 602875958
- auto: Defík
- Bydliště: Holýšov,Kaznějov
Re: Dobíjení defender 300tdi
Tak jsem se konečně dostal k prověrce dobíjení 300vky. Možná to někomu pomůže při opravě. Nuže, rezistor paralelně zapojený ke kontrolce dobíjení uvedený ve schématech jsem nenašel. Možná je někde níže ve svazku, hluboko za palubkou, ale to už je práce pro absolventa oboru automechanik-gynekolog. Rozebírat kvůli tomu celou palubku nemá smysl. Já už dokonce pochybuju jestli tam vůbec nějaký rezistor je (byl), je tu totiž vícero nesouladů. Rezistor ve schématu „Dobíjení a startování“ má hodnotu 1E3, což by prý mělo být 1x10na3tí, tedy 1kilo Ohm a to je moc. Měření ukázalo, že pokud má dobíjení naběhnout po nastartování samo, tedy bez nutnosti prošlápnout plyn, je dobré, aby hodnota byla max. cca 120 Ohmů. To v paralelní kombinaci se žárovičkou (=120 Ohmů po rozžhavení vlákna) vytváří odpor 60 Ohmů a to už stačí pro nabuzení alternátoru během pár vteřinek a kontrolka dobíjení sama zhasne. Já jsem osadil rezistor 110Ohmů, měl jsem 2 rezistory 220Ohmů/3W a spájel je paralelně, to je navždy. Napojil jsem to pomocí samořezných svorek přímo na kabely v blízkosti konektoru C230 na kontrolkovém panelu. U takovéto kombinace je nutné pamatovat, že pokud se žárovička přepálí, tak se dobíjení při volnoběhu probere opět jen po prošlápnutí plynu. Kdo by chtěl mít echt jistotu, že mu bude altík dobíjet okamžitě po nastartování i bez žárovičky, tak by musel osadit rezistor cca 27 Ohmů (což se koneckonců blíží hodnotě ve schématu „Přístrojovka“ , kde je uvedeno 24 Ohmů). Jelikož jsem nenašel žádné parametry k altíku, tak jsem se radši držel při zemi. Na konektoru C230 mě ještě zarazilo, že kablík z pinu 5 není žluto/hnědý (má se rozdvojit na odpor a diodu), ale rovnou hnědo/žlutý (ten má pokračovat až za diodou k alternátoru) a tak jsem měřením zjistil, že vlastně chybí i dioda. A vůbec, kablíky na obou konektorech ke kontrolkám jsou totálně zpřeházené, co se pozic týče.
Sloužim lidu! :-)
Land Rover Defender 110SW 300Tdi 1998
ex-služební Land Rover Defender 2,4TDCi Puma 2008
Land Rover Defender 110SW 300Tdi 1998
ex-služební Land Rover Defender 2,4TDCi Puma 2008
-
MadTom
- Příspěvky: 15387
- Registrován: 06 lis 2008 23:15
- tel.: 608 600 360
- auto: D2, Def 130
- Bydliště: Olomouc
Re: Dobíjení defender 300tdi
Pár poznámek - jestli chceš, aby ti to dobře fungovalo, tak vyhoď ty nařezávací rychlospojky, to je akorát cesta do pekla, lepší je to slušně propájet a přetáhnou kouskem smršťovací bužírky. Jinak stačí troška vlhkosti a začne to uvnitř zařezávací spojky hnít, a najít to je potom docela velká zábava. Druhá věc jsou ty odpory - zkontroloval jsi, jak moc se ohřejí? Necelý 1W ztrátového výkonu na jednom odporu co jsem spočítal sice není moc, odpory máš dimenzované na 3W, ale to je pro případ jejich umístění na vzduchu a celkem vysokou povrchovou teplotu, nikoliv při zabalení do smršťovky. Jde o to, že tohle je zapnuté furt a po pár hodinách provozu se to může celkem slušně ohřát a do něco zažít tavit, třeba ostatní dráty k sobě.
Uvedený odpor 1E3 je podle mě chyba, vyděl jsem tuhle hodnotu v Rave na fůře míst, kde to byl principiální nesmysl, třeba u vytápění sedačky. Podle mě je to pozůstatek nějaké standardní hodnoty pro kreslení schématu, kterou už ovšem nikdo neupravil na hodnotu správnou. Párkrát se mi to také stalo, následně jsem všude uváděl buďto n.u. jako Not Used, nebo tbd jako to be defined, aby bylo jasné, že tam hodnota není uvedená schválně.
A poslední věc - co se stane, když se ti přepálí žárovička? A máš v autě voltmetr, aby jsi poznal, jestli ti auto dobíjí? Po takovémto problému s dobíjením bych tam dal alespoň nějaký do zapalovače a zkontroloval ho, jestli neměří bludy.
Uvedený odpor 1E3 je podle mě chyba, vyděl jsem tuhle hodnotu v Rave na fůře míst, kde to byl principiální nesmysl, třeba u vytápění sedačky. Podle mě je to pozůstatek nějaké standardní hodnoty pro kreslení schématu, kterou už ovšem nikdo neupravil na hodnotu správnou. Párkrát se mi to také stalo, následně jsem všude uváděl buďto n.u. jako Not Used, nebo tbd jako to be defined, aby bylo jasné, že tam hodnota není uvedená schválně.
A poslední věc - co se stane, když se ti přepálí žárovička? A máš v autě voltmetr, aby jsi poznal, jestli ti auto dobíjí? Po takovémto problému s dobíjením bych tam dal alespoň nějaký do zapalovače a zkontroloval ho, jestli neměří bludy.
Drobek - Discovery II TD5 pro ženu, Blufínek - Defender 130 TD5 na ježdění s dětma a mě zbyl už zase jenom Ford Mondeo
- Tazik1992
- Příspěvky: 1429
- Registrován: 10 čer 2014 22:59
- tel.: 602875958
- auto: Defík
- Bydliště: Holýšov,Kaznějov
Re: Dobíjení defender 300tdi
Si mě nalomil Tome, máš pravdu, že vlhko je v Defu všudypřítomný, asi to fakt naletuju. Já prostě nemám rád zbytečný "kurvení" kabelů a ty nařezávačky mají dvojité břity, tak snad chvíli vydrží. Tuta kombinace odporů bude nakonec dočasná, sice při zkoušce netopily, ale už mám objednaný ještě odolnější kus 100Ohm/10W.
Když žárovička rupne, tak je to jak píšu - dobíjí zase až po prošlápnutí. Jo, mohl bych tam dát rezistor s ještě nižší hodnotou (56 Ohm třeba), ale k altíku jsem nenašel žádný základní parametry, třeba max. budící proud a ani nevim jestli těch 24Ohmů ze schématu je taky pravdivejch. Na dvou anglickej fórech jsem viděl, že taky použili 100Ohmový odpor. Voltmetr je v tuningovém plánu 
Sloužim lidu! :-)
Land Rover Defender 110SW 300Tdi 1998
ex-služební Land Rover Defender 2,4TDCi Puma 2008
Land Rover Defender 110SW 300Tdi 1998
ex-služební Land Rover Defender 2,4TDCi Puma 2008
-
MadTom
- Příspěvky: 15387
- Registrován: 06 lis 2008 23:15
- tel.: 608 600 360
- auto: D2, Def 130
- Bydliště: Olomouc
Re: Dobíjení defender 300tdi
Ty nařezávací spojky nějakou dobu vydrží, ale po zkušenoti z několik aut, kde v tom místě nejenom nebyl pořádnej kontakt, ale i původní drát časem přehnil, tak už na trvalo určitě ne. A protože provizorní řešení vydrží vždy nejdéle, tak už ani jako provizorní řešení. Když už jsem je musel použít, protože nebylo jak se ke kabelu rozumně dostat a už vůbec ne, jak na něm pájet, tak jsem dovnitř alespoň nacpal vazelínu. To docela pomohlo. Ale i tak to bylo provizorní řešení.
Jinak co se týče toho odporu, tak se podívej po jiných verzích schémat - občas tam bývají opravené chyby, případně v Rave je i popis textový, jak má daný elektrický obvod fungovat.
Voltmetr se dá za pár korun koupit i v provedení do zapalovače. Akorát to chce zkontrolovat, jestli měří dobře - porovnáním z jiným voltmetrem připojeným přímo na svorky baterie. Potkal jsem 2 typy problémů. Ten jednodušší byl, že levný voltmetr kecal, a šel rovnou do koše. Ten složitější souvisel se zapojením a tloušťkou drátů v autě - s vypnutým motorem to ukazovalo dobře, po nastartování také, jakmile se ale zapnuly některé spotřebiče, nebo se připojilo něco jiného do konektoru zapalovače, tak napětí začalo celkem dost klesat, i o 2V. Bylo to způsobeno úbytky na drátech, které bylo společné pro zásuvku zapalovače a v ní zapojený voltmetr, a pro další spotřebiče v autě. To už se hledalo hůř, naštěstí stačilo na začátku změřit napětí přímo na baterce, aby bylo alespoň jasné, že auto dobíjí.
Pokud se má měřit napětí na baterce, je potřeba, aby dráty k voltmetru, a to oba plus i mínus, vedly od voltmetru přímo až k baterce, a nebylo na nich připojení nic jiného. Na druhou stranu, stačí slabé - na podobné věci používám FLRY dráty s průřezem 0,5mm2 - jsou slabé, ale ještě dost mechanicky odolné a dají se rozumně krimpovat do běžných konektorů. LED voltmetr se musí vypínat po vypnutí klíčku, žere moc. Ale dají se sehnat i LCD voltmetry které berou zlomky mA nebo ještě méně, a ty mohou být připojené trvale. Teda pokud nemají trvale svítící podsvětlení.
Jinak co se týče toho odporu, tak se podívej po jiných verzích schémat - občas tam bývají opravené chyby, případně v Rave je i popis textový, jak má daný elektrický obvod fungovat.
Voltmetr se dá za pár korun koupit i v provedení do zapalovače. Akorát to chce zkontrolovat, jestli měří dobře - porovnáním z jiným voltmetrem připojeným přímo na svorky baterie. Potkal jsem 2 typy problémů. Ten jednodušší byl, že levný voltmetr kecal, a šel rovnou do koše. Ten složitější souvisel se zapojením a tloušťkou drátů v autě - s vypnutým motorem to ukazovalo dobře, po nastartování také, jakmile se ale zapnuly některé spotřebiče, nebo se připojilo něco jiného do konektoru zapalovače, tak napětí začalo celkem dost klesat, i o 2V. Bylo to způsobeno úbytky na drátech, které bylo společné pro zásuvku zapalovače a v ní zapojený voltmetr, a pro další spotřebiče v autě. To už se hledalo hůř, naštěstí stačilo na začátku změřit napětí přímo na baterce, aby bylo alespoň jasné, že auto dobíjí.
Pokud se má měřit napětí na baterce, je potřeba, aby dráty k voltmetru, a to oba plus i mínus, vedly od voltmetru přímo až k baterce, a nebylo na nich připojení nic jiného. Na druhou stranu, stačí slabé - na podobné věci používám FLRY dráty s průřezem 0,5mm2 - jsou slabé, ale ještě dost mechanicky odolné a dají se rozumně krimpovat do běžných konektorů. LED voltmetr se musí vypínat po vypnutí klíčku, žere moc. Ale dají se sehnat i LCD voltmetry které berou zlomky mA nebo ještě méně, a ty mohou být připojené trvale. Teda pokud nemají trvale svítící podsvětlení.
Drobek - Discovery II TD5 pro ženu, Blufínek - Defender 130 TD5 na ježdění s dětma a mě zbyl už zase jenom Ford Mondeo
- Tazik1992
- Příspěvky: 1429
- Registrován: 10 čer 2014 22:59
- tel.: 602875958
- auto: Defík
- Bydliště: Holýšov,Kaznějov
Re: Dobíjení defender 300tdi
Vazelínku jsem na ty samořezky dal, použil jsem tu samou, co se dává jako konzervační na svorky akumulátoru.
Voltmetr dám určitě na pevno, protože kontaktům v zapalovači nevěřím. Přemýšlím, že obětuju hodiny v přístrojovce a vetknu tam kulatý měřák, nejlépe nějaký stylový ručkový. Dráty až k baterce jsou dobrá připomínka, na to použiju silikonové kabely, co se používají na měřící šňůry. Dík
Voltmetr dám určitě na pevno, protože kontaktům v zapalovači nevěřím. Přemýšlím, že obětuju hodiny v přístrojovce a vetknu tam kulatý měřák, nejlépe nějaký stylový ručkový. Dráty až k baterce jsou dobrá připomínka, na to použiju silikonové kabely, co se používají na měřící šňůry. Dík
Sloužim lidu! :-)
Land Rover Defender 110SW 300Tdi 1998
ex-služební Land Rover Defender 2,4TDCi Puma 2008
Land Rover Defender 110SW 300Tdi 1998
ex-služební Land Rover Defender 2,4TDCi Puma 2008
-
MadTom
- Příspěvky: 15387
- Registrován: 06 lis 2008 23:15
- tel.: 608 600 360
- auto: D2, Def 130
- Bydliště: Olomouc
Re: Dobíjení defender 300tdi
Dráty stačí jakékoliv. Ty silikonové se používají kvůli tomu, že jsou pěkně ohebné a že je obtížné je spálit pájkou. Ani jedno tady není kritické.
Co se týče kulatého budíku, tak se mi celkem líbí od číňana inteligentní budíky - mají ručičku a malý displej v jednom pouzdru, ručička ukazuje to důležité a displej to méně. Hlavně se tam ale dá nastavit limit, kdy to upozorní na problém - začne pískat. Takže se to nemusí furt sledovat.
Co se týče kulatého budíku, tak se mi celkem líbí od číňana inteligentní budíky - mají ručičku a malý displej v jednom pouzdru, ručička ukazuje to důležité a displej to méně. Hlavně se tam ale dá nastavit limit, kdy to upozorní na problém - začne pískat. Takže se to nemusí furt sledovat.
Drobek - Discovery II TD5 pro ženu, Blufínek - Defender 130 TD5 na ježdění s dětma a mě zbyl už zase jenom Ford Mondeo
- Hubert
- Příspěvky: 2533
- Registrován: 28 čer 2009 19:13
- tel.: 724878985
- auto: D1 300 TDI, D3 TDV8
- Bydliště: Kousek do Třebíče
- Kontaktovat uživatele:
Re: Dobíjení defender 300tdi
Nečetl jsme celou diskuzi. Co vím tak 300 Tdi má dva druhy altíků. Každý má jinou řemenici nedal někdo omylem velkou řemenici na altík na kterou patří ta menší? Proto má třístovka dvě délky řemenů. Pak se to chová jak popisuješ.
Land Rover Discovery 300 Tdi, AUT, ABS, TC, +2", Front TrueTrack, Rear 100%ARB, D3 swap TDV8 3.6
Máte štěstí že jsem tady. Říkají o mě že jsem odborník. :-) Mám málo času, ale na výzvu se čas vždy najde.
Máte štěstí že jsem tady. Říkají o mě že jsem odborník. :-) Mám málo času, ale na výzvu se čas vždy najde.
- Tazik1992
- Příspěvky: 1429
- Registrován: 10 čer 2014 22:59
- tel.: 602875958
- auto: Defík
- Bydliště: Holýšov,Kaznějov
Re: Dobíjení defender 300tdi
Noo, to by altík točil pomaleji a "probouzení" na volnoběh by mu šlo blbě.Hubert píše: 06 dub 2020 10:33 Nečetl jsme celou diskuzi. Co vím tak 300 Tdi má dva druhy altíků. Každý má jinou řemenici nedal někdo omylem velkou řemenici na altík na kterou patří ta menší? Proto má třístovka dvě délky řemenů. Pak se to chová jak popisuješ.
Byl jsme okouknout řemen a mám tam ten kratší - 1580mm. Řemenice má v průměr 50mm (na vnějším rantlu). Tak bych řekl, že v tom to nebude, jestli to teda někdo přede mnou neskládal z řemenic a kladek, co dům dal
Sloužim lidu! :-)
Land Rover Defender 110SW 300Tdi 1998
ex-služební Land Rover Defender 2,4TDCi Puma 2008
Land Rover Defender 110SW 300Tdi 1998
ex-služební Land Rover Defender 2,4TDCi Puma 2008
- Tazik1992
- Příspěvky: 1429
- Registrován: 10 čer 2014 22:59
- tel.: 602875958
- auto: Defík
- Bydliště: Holýšov,Kaznějov
Re: Dobíjení defender 300tdi
A je tu dokončení reportáže o dobíjení, resp. o budícím rezistoru. Připojení rezistoru jsem nakonec pro jistotu předělal. Použil jsem sice nařezávací odbočku, ale spojení se stávajícími kabely jsem proletoval. Na odbočení má rozdvojka konektor pro Faston a to už je dostatečné spojení, obzvláště při namáznutí neutrální vazelínkou. Rezistor jsem použil robustní (výkon 16W) s vlastním chladičem, ten je na věčnost. Snížení hodnoty na 68Ohmů si vyžádala zkušenost s ranními jarními mrazivými starty, kdy motor přeci jen neměl takové otáčky a samobuzení bylo línější. Rezistor je namontovaný na nosné nehořlavé podložce a nalepený na plech nad motorkem stěračů.
Sloužim lidu! :-)
Land Rover Defender 110SW 300Tdi 1998
ex-služební Land Rover Defender 2,4TDCi Puma 2008
Land Rover Defender 110SW 300Tdi 1998
ex-služební Land Rover Defender 2,4TDCi Puma 2008
- Tazik1992
- Příspěvky: 1429
- Registrován: 10 čer 2014 22:59
- tel.: 602875958
- auto: Defík
- Bydliště: Holýšov,Kaznějov
Re: Dobíjení defender 300tdi
A teď ještě příběh chybějící reverzní diody v okruhu buzení alternátoru. Docela mě zajímalo k čemu může být v tak jednoduchém voze, kde je nejsložitějším spotřebičem dvouvláknová žárovka, tak sofistikovaná součástka
. V manuálu je o ní jen zmínka, že tam je proti zpětnému proudu, ale bez bližšího vysvětlení proč vlastně. Haynes rovněž mlčí. Teprve gůglení přineslo úspěch neb sem narazil na blog jednoho Angličana, který řešil jiný problém – nezhasínal mu motor po vypnutí zapalování. Řešil tam problém stop ventilu přívodu paliva (Fuel Shut Off Valve), který nezavíral. Jenže mu nezavíral ani nově namontovaný kus. Ukázalo se, že i při doběhu motoru může na budící svorce alternátoru zůstávat malé napětí cca 3V, které stačí na to, aby udrželo opotřebený ventil otevřený. Tohle napětí se proplazilo přes budící rezistor (nebo přístrojový panel kontrolek pokud rezistor chybí) i při vypnutém zapalování až k cívce ventilu. Prostě opotřebená, poškozená nebo nekvalitní pružina (asi v případě toho nového kusu) nedokázala přetlačit stále zbytkovým napětím lehce buzenou cívku solenoidu a ventil zůstával viset otevřený. Ukázalo se, že to je zřejmě ten důvod přidání reverzní diody do okruhu. Po jejím doplnění se problém odstranil. Průzkum starších schémat ukázal, že do roku 1986 byl ventil spínán přímo spínací skříňkou. Ovšem v roce 1986 došlo ke změnám v zapojení a objevila se skulina pro problém – přívod k ventilu se za spínačkou spojil s jinými okruhy. Dioda se ovšem začala osazovat až od roku 1991 na 200kách a 300kách. Jenže pak přišel do Defů alarm a stop ventil se začal ovládat přímo z ECU imobilizéru a někdo usoudil, že dioda už je zase zbytečná a tak se přestala osazovat. Může se tak tedy za určitých okolností stát, že pokud si někdo natvrdo demontuje ECU alarmu nebo použije nějaký hardwarový bypass na imobilizér, tak se opět nevědomky může ocitnout v náručí starého problému s nevypnutelným motorem.
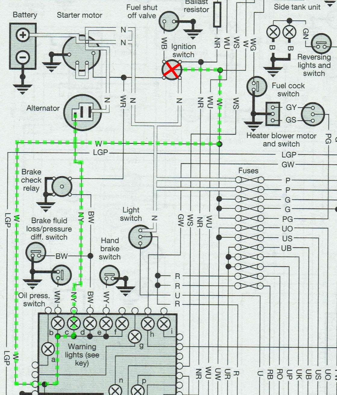
Trocha schémátek
Dobíjení do roku 1986 Dobíjení od roku 1986 - úsvit průseru Dobíjení od roku 1991 - přidání reverzní diody Pokud by někdo hledal diodu, tak by měla vypadat takto. Je zasunutá v patici. Ale pozor, za přístrojovkou je ještě jedna dioda sloužící k ověřování funkčnosti kontrolky teploty oleje převodovky (vedou k ní šedo-červený a bílo-žlutý drát, viz foto) Součástka
Trocha schémátek
Dobíjení do roku 1986 Dobíjení od roku 1986 - úsvit průseru Dobíjení od roku 1991 - přidání reverzní diody Pokud by někdo hledal diodu, tak by měla vypadat takto. Je zasunutá v patici. Ale pozor, za přístrojovkou je ještě jedna dioda sloužící k ověřování funkčnosti kontrolky teploty oleje převodovky (vedou k ní šedo-červený a bílo-žlutý drát, viz foto) Součástka
Sloužim lidu! :-)
Land Rover Defender 110SW 300Tdi 1998
ex-služební Land Rover Defender 2,4TDCi Puma 2008
Land Rover Defender 110SW 300Tdi 1998
ex-služební Land Rover Defender 2,4TDCi Puma 2008
- VencaZE
- Příspěvky: 3631
- Registrován: 17 kvě 2008 14:51
- tel.: 602 550 993
- auto: 110HT, S2A 88, G66
- Bydliště: Brod nad Tichou, okr. Tachov
- Kontaktovat uživatele:
Re: Dobíjení defender 300tdi
Tedy ty jsi se do toho vložil řádně
!
Dobrá práce
.
V.
Dobrá práce
V.
Urbanovi Pneu&Cars- Servis Land Rover, diagnostika, autoelektro, pneuservis a jiné.. urbanovipneucars@email.cz
WWW: http://www.landroverforum.cz/forum/view ... 12&t=26864
Proč bychom se dřeli, když můžeme spálit trochu nafty. OK1LRD
WWW: http://www.landroverforum.cz/forum/view ... 12&t=26864
Proč bychom se dřeli, když můžeme spálit trochu nafty. OK1LRD