systém na "ohřev" teplé vody pro expediční auta
Moderátor: Acon
- 
				MadTom
- Příspěvky: 15309
- Registrován: 06 lis 2008 23:15
- tel.: 608 600 360
- auto: D2, Def 130
- Bydliště: Olomouc
Re: systém na "ohřev" teplé vody pro expediční auta
Těch kulových ventilů by jsi potřeboval víc - podle to jenom škrtit na vstupu není dobrej nápad, kdy už ventily, tak takové, co umožní buďto vodu naplno pustit skrz nebo celý výměník obejít.
			
									
									Drobek - Discovery II TD5 pro ženu, Blufínek - Defender 130 TD5 na ježdění s dětma a mě zbyl už zase jenom Ford Mondeo
						Re: systém na "ohřev" teplé vody pro expediční auta
Taky to mam na okruhu topeni hned za bufikem. Ja to ale nemam jako prutokac, takze dokud nebezi cerpadlo na tu teplou vodu, tak ztrata ve vymeniku je minimalni. Vlastne jenom plocha toho vymeniku.
			
									
									
						- czech_daver
- Příspěvky: 123
- Registrován: 23 dub 2015 15:48
- auto: Discovery II
- Bydliště: Brno
Re: systém na "ohřev" teplé vody pro expediční auta
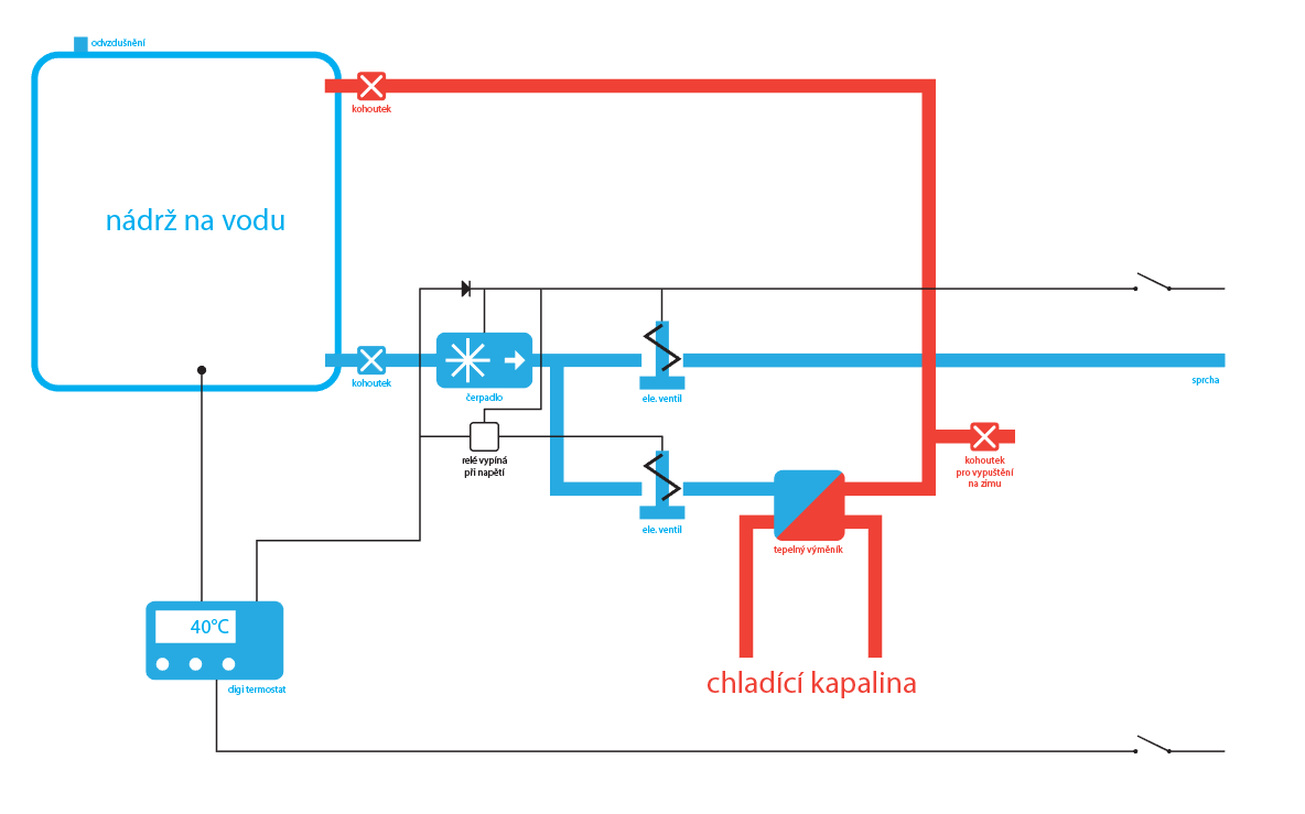
tak sem si to tu projížděl a uvažoval jsem jak je to super a že to musím taky vyrobit. Udělal jsem si takový pěkný nákres inspirovaný od HST  tak se chci podělit a zeptat jestli du na to dobře nebo ne. Je to jen na hrubo a budou určitě potřeba relátka atd. Jeden vypínač odpojuje termostat, druhý zapíná sprchu.
 tak se chci podělit a zeptat jestli du na to dobře nebo ne. Je to jen na hrubo a budou určitě potřeba relátka atd. Jeden vypínač odpojuje termostat, druhý zapíná sprchu.
Uvažoval jsem nad tím takto -> Jednou za čas je potřeba se vysprchovat nebo opláchnout nádobí v něčem teplém ale vodu k pití budeme mít řešenou jinak. Takže mi přišlo ideální si třeba 30min před místem táboření zapnout okruh s digi termostatem ktery bude spínat čerpadlo s ventilem a pouštět vodu skr výměník na motoru a udržovat vodu na třeba 40°. Dojedem, vysprchujem a hotovo. Řešení se dvěma nádržemi a mícháním teplé se studenou mi přišlo komplikované.
Plus bych měl dvě otázky, kam zapojit v D2 výměník když mám i bufíka?
A taková super teorie, nemá někdo vyzkoušeno nahřát takový barel 30l třeba na 70° a použít během večera jako zdroj tepla na noc? Třeba by to chvilku fungovalo, nejdelší dovolenky můžeme na jaře nebo na podzim
							
			
									
									
						Uvažoval jsem nad tím takto -> Jednou za čas je potřeba se vysprchovat nebo opláchnout nádobí v něčem teplém ale vodu k pití budeme mít řešenou jinak. Takže mi přišlo ideální si třeba 30min před místem táboření zapnout okruh s digi termostatem ktery bude spínat čerpadlo s ventilem a pouštět vodu skr výměník na motoru a udržovat vodu na třeba 40°. Dojedem, vysprchujem a hotovo. Řešení se dvěma nádržemi a mícháním teplé se studenou mi přišlo komplikované.
Plus bych měl dvě otázky, kam zapojit v D2 výměník když mám i bufíka?
A taková super teorie, nemá někdo vyzkoušeno nahřát takový barel 30l třeba na 70° a použít během večera jako zdroj tepla na noc? Třeba by to chvilku fungovalo, nejdelší dovolenky můžeme na jaře nebo na podzim
Re: systém na "ohřev" teplé vody pro expediční auta
Jo tohle bude fungovat:) Jenom technicky poznamky: nezapomen treba na odvzdusnovak na kanystru, at se ti nezborti az klesne hladina, mysli i na pripadny cisteni toho kandaku, v plastu to bude mit snahu pekne kvest:). Co se tyce topeni teplou vodou, tak s 30 litrama moc parady neudelas:). Navic bacha na cerpadlo, ktery pouzijes a jakou teplotu vody max snese.czech_daver píše: 21 pro 2017 15:25 tak sem si to tu projížděl a uvažoval jsem jak je to super a že to musím taky vyrobit. Udělal jsem si takový pěkný nákres inspirovaný od HSTtak se chci podělit a zeptat jestli du na to dobře nebo ne. Je to jen na hrubo a budou určitě potřeba relátka atd. Jeden vypínač odpojuje termostat, druhý zapíná sprchu.
Uvažoval jsem nad tím takto -> Jednou za čas je potřeba se vysprchovat nebo opláchnout nádobí v něčem teplém ale vodu k pití budeme mít řešenou jinak. Takže mi přišlo ideální si třeba 30min před místem táboření zapnout okruh s digi termostatem ktery bude spínat čerpadlo s ventilem a pouštět vodu skr výměník na motoru a udržovat vodu na třeba 40°. Dojedem, vysprchujem a hotovo. Řešení se dvěma nádržemi a mícháním teplé se studenou mi přišlo komplikované.
Plus bych měl dvě otázky, kam zapojit v D2 výměník když mám i bufíka?
A taková super teorie, nemá někdo vyzkoušeno nahřát takový barel 30l třeba na 70° a použít během večera jako zdroj tepla na noc? Třeba by to chvilku fungovalo, nejdelší dovolenky můžeme na jaře nebo na podzim
Kazdopadne tepla sprcha po celym dnu v aute je vazne duchapovznasejici. To
- low
- Admin fóra
- Příspěvky: 4205
- Registrován: 04 led 2007 10:39
- tel.: +420 603462950
- auto: def 110 + L322
- Bydliště: Praha
- Kontaktovat uživatele:
Re: systém na "ohřev" teplé vody pro expediční auta
budu nechavat vyrabet system co kamaradi maji uz aplikovany v nekolika tojotach a patrolech.
nadrz na vodu, ohrev vymenikem od motoru s termostatem + ohrev vyfukem od bufiku.
nevim zatim co to bude stat, ale nebude to drahe.
zastavba do def110
kdyby mel nekdo tuzbu se pridat, se ozvete low (at) low.cz
			
									
									nadrz na vodu, ohrev vymenikem od motoru s termostatem + ohrev vyfukem od bufiku.
nevim zatim co to bude stat, ale nebude to drahe.
zastavba do def110
kdyby mel nekdo tuzbu se pridat, se ozvete low (at) low.cz
http://www.offg.cz expediční poradenství, offroad expedice  na míru po celém světě,  offroadškola, http://www.offroadskola.cz
						- 
				MadTom
- Příspěvky: 15309
- Registrován: 06 lis 2008 23:15
- tel.: 608 600 360
- auto: D2, Def 130
- Bydliště: Olomouc
Re: systém na "ohřev" teplé vody pro expediční auta
Praktická zkušenost - TD5ka na volnoběh moc vodu neohřeje - ten motor prostě netopí. 300ka ano. Takže jedině ohřát za jízdy.
To co popisuje LOW mě docela zajímá - do 130ky po přestavbě na dlouhý wagon budu dávat dozadu druhý výměník na topení, jinak by v kabině bylo prostě zima, a když už tam budou hadice, tak počítám i s výměníkem na ohřev teplé vody. Nějak jsem úplně nepochopil, k čemu a jak by měl fungovat ohřev výfukem od bufíku? To jako ohřev přes noc?
Uvažoval jsem s tím i do D2, ale tam na něco takového prostě není místo, 110ka je na to lepší, 130ka bude úplně v pohodě.
A zásobník klidně menší - max. 20l, s tím že horní teplota bude někde okolo 80°C a na výstupu termostatická baterie. K tomu druhá nádrž na studenou užitkovou vodu. Pitnou budu řešit extra, čištění něčeho, co se nedá překlopit je docela problém, který si rád odpustím.
Praktická zkušenost z letošního výletu do Rumunska - pro osprchování jednoho člověka je potřeba cca 5l vlažné vody. Tomáš Kala to měl vymakané - kempová sprcha, hrnec, vařič a kanistr se studenou vodou. V hrnci se to na vařiči ohřálo, nalilo do nádoby od sprchy, doředilo studenou vodou na akorát teplotu a mohlo se rychle sprchovat. Na sprchování jsme měli "instantní převlékárnu" - takovej vysokej "stan", kam se člověk zapnul, a nevadilo, že okolo docela slušně fouká studený vítr. Chtělo to na obsluhu 2 lidi, ale vzhledem k tomu, že jsme sebou měli i děti, tak to stejně jinak nešlo. Takto se dalo docela rychle osprchovat všech 18 lidí. To se zásobníkem ohřívaným od motoru nepůjde, jedině ho dohřívat vodním bufíkem. Ten má okolo 5kW výkonu, což už stačí - pro srovnání běžná "karma" má okolo 15-20kW.
			
									
									To co popisuje LOW mě docela zajímá - do 130ky po přestavbě na dlouhý wagon budu dávat dozadu druhý výměník na topení, jinak by v kabině bylo prostě zima, a když už tam budou hadice, tak počítám i s výměníkem na ohřev teplé vody. Nějak jsem úplně nepochopil, k čemu a jak by měl fungovat ohřev výfukem od bufíku? To jako ohřev přes noc?
Uvažoval jsem s tím i do D2, ale tam na něco takového prostě není místo, 110ka je na to lepší, 130ka bude úplně v pohodě.
A zásobník klidně menší - max. 20l, s tím že horní teplota bude někde okolo 80°C a na výstupu termostatická baterie. K tomu druhá nádrž na studenou užitkovou vodu. Pitnou budu řešit extra, čištění něčeho, co se nedá překlopit je docela problém, který si rád odpustím.
Praktická zkušenost z letošního výletu do Rumunska - pro osprchování jednoho člověka je potřeba cca 5l vlažné vody. Tomáš Kala to měl vymakané - kempová sprcha, hrnec, vařič a kanistr se studenou vodou. V hrnci se to na vařiči ohřálo, nalilo do nádoby od sprchy, doředilo studenou vodou na akorát teplotu a mohlo se rychle sprchovat. Na sprchování jsme měli "instantní převlékárnu" - takovej vysokej "stan", kam se člověk zapnul, a nevadilo, že okolo docela slušně fouká studený vítr. Chtělo to na obsluhu 2 lidi, ale vzhledem k tomu, že jsme sebou měli i děti, tak to stejně jinak nešlo. Takto se dalo docela rychle osprchovat všech 18 lidí. To se zásobníkem ohřívaným od motoru nepůjde, jedině ho dohřívat vodním bufíkem. Ten má okolo 5kW výkonu, což už stačí - pro srovnání běžná "karma" má okolo 15-20kW.
Drobek - Discovery II TD5 pro ženu, Blufínek - Defender 130 TD5 na ježdění s dětma a mě zbyl už zase jenom Ford Mondeo
						Re: systém na "ohřev" teplé vody pro expediční auta
Ahoj, 
Drzim palce, kazdy projekt ke komfortu v pustine je fajn
- Souhlas s Woblikem - bezna cerpadla se pri 40+ stupnich uvarej. Chce to resit.
- Mam kandak 30 litru a ohreje se na 40 stupnu v radu jednotek minut. tak 5-10 rekneme.
- Parkrat jsem zkousel tech 40 stupnu na temperaci auta a je to temer bez vlivu.
- Prijde mi skoda, ze nechces nechat vystup (na sprchu) jet taky pres vetev vymeniku (zejmena kdyz mas bufik) pac to da moznost teple sprchy i bez predohrevu kanistru.
- Jinak jsem si pak jeste dodelal 10metrovou hadici do potoka, na konci u potoka cerpadlo a na konci u auta spojku (hadicnik) do okruhu te uzitkove vody - to se super osvedcilo jako nekonecna tepla sprcha paklize jsi v dosahu vody.
H.
			
									
									Drzim palce, kazdy projekt ke komfortu v pustine je fajn
- Souhlas s Woblikem - bezna cerpadla se pri 40+ stupnich uvarej. Chce to resit.
- Mam kandak 30 litru a ohreje se na 40 stupnu v radu jednotek minut. tak 5-10 rekneme.
- Parkrat jsem zkousel tech 40 stupnu na temperaci auta a je to temer bez vlivu.
- Prijde mi skoda, ze nechces nechat vystup (na sprchu) jet taky pres vetev vymeniku (zejmena kdyz mas bufik) pac to da moznost teple sprchy i bez predohrevu kanistru.
- Jinak jsem si pak jeste dodelal 10metrovou hadici do potoka, na konci u potoka cerpadlo a na konci u auta spojku (hadicnik) do okruhu te uzitkove vody - to se super osvedcilo jako nekonecna tepla sprcha paklize jsi v dosahu vody.
H.
Vyrábím XLifter (https://www.xlifter.com)  = ovladač vzduchového pérovaní pro D3,4,RRS. (a také http://landroverforum.cz/forum/viewtopi ... =6&t=28825). 
Diskoška 3 ve verzi "HST" - předělaná na výletování (a reinkarnovaná Hubertem :D )
						Diskoška 3 ve verzi "HST" - předělaná na výletování (a reinkarnovaná Hubertem :D )
- czech_daver
- Příspěvky: 123
- Registrován: 23 dub 2015 15:48
- auto: Discovery II
- Bydliště: Brno
Re: systém na "ohřev" teplé vody pro expediční auta
Nad tím průtokáčem z řeky ještě pouvažuju a zkusím něco vymyslet, pak to sem hodím. Ale spíš mě napadlo že mám vykuchaný EGR ale chladič zůstal na svém místě. Nešel by použít jako výměník? Vyčistit ho od sazí a nechat ho napojený a jen skrz něj prohnat vodu pro ohřátí? Trošku mě děsí někde rozřezávat trubky chlazení  a tohle tady už je.
 a tohle tady už je.
			
									
									
						Re: systém na "ohřev" teplé vody pro expediční auta
Tak kucii, snad 5 let po instalaci vody informuju. 
Ztraci se mi chladici kapalina. Tak litr mesicne. Divny.
No a kde ji najdu? Koukam ze mam nekolik litru vzadu ve vodni nadrzi (kanistru).
Tazke vymenik bajbaj, prosakuje...
Tak bud stari, nebo jsem to blbe na zimu vypustil a zamrzlo to.
Mam tam ten malej FHC014C-20
Brr. Ted uz ne, ale kdyz bylo novy, tak jsem vodni system pouzival i jako pitnou vodu.
Kdyz si predstavim prusak fridexu, no fuj. Tvl.
			
													Ztraci se mi chladici kapalina. Tak litr mesicne. Divny.
No a kde ji najdu? Koukam ze mam nekolik litru vzadu ve vodni nadrzi (kanistru).
Tazke vymenik bajbaj, prosakuje...
Tak bud stari, nebo jsem to blbe na zimu vypustil a zamrzlo to.
Mam tam ten malej FHC014C-20
Brr. Ted uz ne, ale kdyz bylo novy, tak jsem vodni system pouzival i jako pitnou vodu.
Kdyz si predstavim prusak fridexu, no fuj. Tvl.
					Naposledy upravil(a) HST dne 02 kvě 2021 10:01, celkem upraveno 1 x.
									
			
									Vyrábím XLifter (https://www.xlifter.com)  = ovladač vzduchového pérovaní pro D3,4,RRS. (a také http://landroverforum.cz/forum/viewtopi ... =6&t=28825). 
Diskoška 3 ve verzi "HST" - předělaná na výletování (a reinkarnovaná Hubertem :D )
						Diskoška 3 ve verzi "HST" - předělaná na výletování (a reinkarnovaná Hubertem :D )
Re: systém na "ohřev" teplé vody pro expediční auta
Mam poriešeny ohev vody na sprchovanie v mojej Disco td5 . Foto dodam behom tyždna - budem nahadzovať spanie do auta . Nadrž je 45 l z karavanu . Použival som to cely minuli rok a parada .
			
									
									. tel 0905532342  bratislavsky kraj  mail  info@atlascamper.sk
						Re: systém na "ohřev" teplé vody pro expediční auta
Slubene foto . Snad je to jasne . Čerpadlo je v nadrži.
							
			
									
									. tel 0905532342  bratislavsky kraj  mail  info@atlascamper.sk
						Re: systém na "ohřev" teplé vody pro expediční auta
Dalsie.
							
			
									
									. tel 0905532342  bratislavsky kraj  mail  info@atlascamper.sk
						Re: systém na "ohřev" teplé vody pro expediční auta
Funguje to bud pri nastartovanom motore alebo pustenom webaste.
							
			
									
									. tel 0905532342  bratislavsky kraj  mail  info@atlascamper.sk
						- pojir
- Příspěvky: 2570
- Registrován: 20 zář 2013 12:29
- tel.: 602727915
- auto: D2
- Bydliště: u Blanska
- Kontaktovat uživatele:
Re: systém na "ohřev" teplé vody pro expediční auta
Vidim spravne, ze to byl chladic EGR?
			
									
									Jakkoliv vysoko vyskocis, nikdy nepreskocis svoji prdel.
						Re: systém na "ohřev" teplé vody pro expediční auta
Nie to je chladič paliva td5
			
									
									. tel 0905532342  bratislavsky kraj  mail  info@atlascamper.sk
						Re: systém na "ohřev" teplé vody pro expediční auta
Co ta nadrz? Na miru? Kdo delal?
			
									
									Vyrábím XLifter (https://www.xlifter.com)  = ovladač vzduchového pérovaní pro D3,4,RRS. (a také http://landroverforum.cz/forum/viewtopi ... =6&t=28825). 
Diskoška 3 ve verzi "HST" - předělaná na výletování (a reinkarnovaná Hubertem :D )
						Diskoška 3 ve verzi "HST" - předělaná na výletování (a reinkarnovaná Hubertem :D )
- pojir
- Příspěvky: 2570
- Registrován: 20 zář 2013 12:29
- tel.: 602727915
- auto: D2
- Bydliště: u Blanska
- Kontaktovat uživatele:
Re: systém na "ohřev" teplé vody pro expediční auta
Nadrz vypada podle popisku na https://www.karavaning.sk/produkt/nadrz-na-vodu-50l/
			
									
									Jakkoliv vysoko vyskocis, nikdy nepreskocis svoji prdel.
						- 
				MadTom
- Příspěvky: 15309
- Registrován: 06 lis 2008 23:15
- tel.: 608 600 360
- auto: D2, Def 130
- Bydliště: Olomouc
Re: systém na "ohřev" teplé vody pro expediční auta
Patriku hezké, zvlášť to umístění výměníku se mi moc líbí, u proto, že mi několik let leží v regálu. Mám pár dotazů - co za čerpadlo máš v nádrži? Máš nějaké hlídání, aby se ti nádrž nepřehřála a třeba nepovolila? Předpokládám, že když jede motor na volnoběh, tak aby to pořádně ohřívalo, je třeba pustit Webasto? A proč jsi hadice s vodou nenatáhnul pod autem? Ně se tam kde je máš totiž rozhodně nevejdou, už tam mám navíc řídící jednotku motoru a hlavně silné dráty dozadu do kufru.
			
									
									Drobek - Discovery II TD5 pro ženu, Blufínek - Defender 130 TD5 na ježdění s dětma a mě zbyl už zase jenom Ford Mondeo
						Re: systém na "ohřev" teplé vody pro expediční auta
... a preco si nedal silne draty pod auto?
LR Defender Td5 110SW po "prestavbe" a pred "prestavbou".